光学関連情報サイト
光学製品・周辺機器
光学商品販売
インターネットショップ
https://www.hikarimart.net/products.html https://www.hikarimart.net/shop
LensConnect  リモートコントロールレンズ DL-MPYシリーズ
f=8mm F2.6 for 1type 20Megapixel Cameras,
Motorized Contorol Fixed-focal, USB interface,C-Mount
VL0826U-MPZ
メーカー:computar
USBケーブル1本で簡単に操作可能な電動FAレンズ
フォーカス、アイリスを、USB(I2C)経由でコントロール可能
手動で調整が不可能な場所でも容易に操作可能
ステッピングモーターにより緻密な制御が可能
プラグアンドプレイで簡単に導入可能
VL-MPZシリーズ  マシンビジョンレンズ
 USBケーブル1本で給電と制御が可能な電動レンズ
  (I2C版も提供可能)
 フォーカス、アイリスをUSB でコントロール可能
 フローティングフォーカス構造により、近距離から無限まで高い光学性能
 ステッピングモーターにより、緻密なピント調整と高い再現性を実現
 レンズ制御サンプルプログラムの提供により、簡単に導入が可能
 大型高解像センサ1型20メガ(IMX183)に対応したモデル
 様々なマシンビジョン用途に対応できる超低ディストーション設計
 1型の大型フォーマット(φ16mm)にも関わらず高い周辺光量を実現

Lineup

◆見積・注文 → お問合せ下さい:

※商社様、小売店様は別途見積り致しますのでお問合せ下さい。

焦点距離 Focal Length 8mm
絞り範囲 Aperture Range F2.6〜16.0
フォーカス範囲 Focus Range 0.1m〜∞
視野範囲(至近距離)
Object Dimension
at M.O.D
1′ 189.9mm × 140.0mm
2/3′ 127.8mm × 94.8mm
1/1.8′ 103.7mm × 77.2mm
画角
Angle of View
D×H×V
1′ 88.8° × 76.9° × 61.5°
2/3′ 68.6° × 57.1° × 44.2°
1/1.8′ 58.2° × 47.8° × 36.6°
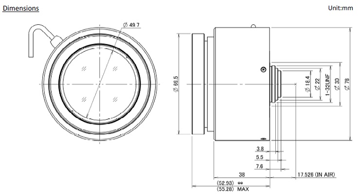
有効レンズ径 Effective Lens Aperture Front:φ49.4mm、Rear:φ15.1mm
バックフォーカス Back focal Length 10.6mm(in Air)
フランジバック Flange Bcak 17.526mm(in Air)
イメージャーサイズ Max.Image Format 12.8mm × 9.6mm (φ16mm)
ディストーション
Distortion
1′ -0.8%
2/3′ -2.1%
1/1.8′ -1.9%
コトロールI/F Control Interface USB2.0
給電方式 Power Mode Bus Powerd(500mA)
コネクター Connector USB TypeA
作動温度 Operating Temperature −10℃〜+50℃
コントロール Control フォーカス Focus 電動 Motorized
アイリス Iris 電動 Motorized
マウント Mount Type C-Mount
フィルターネジ径 Filter Thread M82 P=0.75mm(with ZM0810:別売)
大きさ Dimensions φ78×52.93mm
質量 Weight 334g
価格 Japan domesitic price お問合わせ下さい
外観図面 Drawing

LensConnect Series
レンズ本体にモータ、その制御基板とUSB通信機能を搭載し、USB経由でパソコンから給電 及びコマンド送信することで簡単に(ズーム)・フォーカス・アイリス位置を調整可能なレンズです。

レンズとパソコンは、USBケーブル1本で接続します。ご使用環境に合わせてUSB延長ケーブルを接続することが可能です。 (最大ケーブル長5m。シールドタイプをご使用ください。)

(ズーム)・フォーカス・アイリスの位置はモータのアドレス位置で管理されており、再現良く指定した位置に停止することが可能です。

I2Cモデル
レンズ本体にモータ、その制御基板とI2C通信機能を搭載し、 I2C経由でコントローラからコマンド送信することで簡単に(ズーム)・フォーカス・アイリス位置を調整可能なモデルです。
LensConnectレンズ対応USB3 Visionカメラ
STC-SCS500U3V-LCNT / STC-SBS500U3V-LCNT
2/3インチ 5メガピクセル対応USB3 Visionカメラ
STC-SCS881U3V-LCNT / STC-SBS881U3V-LCNT
1インチ 8メガピクセル対応USB3 Visionカメラ
STC-SCS122BU3V-LCNT / STC-SBS122BU3V-LCNT
1インチ 12.3メガピクセル対応USB3 Visionカメラ
お問合せはこちらへ→
fujiwara@ff-net.jp
光マート  HikariMart / hikarimart.net

光学関連情報サイトOpticalGarden
インターネットショップ

光マートについて

光マートの業務

問合せ(質問・商品選定・見積依頼・相談)

E-mail  fujiwara@ff-net.jpshop@ff-net.jp
TEL.     03-6802-9429
FAX.     03-6802-9432
問合せフォーム(Windows PC)

商品一覧INDEX (型番リスト)

computar(CBC)製 レンズ一覧

SWシリーズ SWIR対応1.5メガ
M1614-SW  2/3″・f=16mm・F1.4
M2514-SW  2/3″・f=25mm・F1.4
M3514-SW  2/3″・f=35mm・F1.4
M5018-SW  2/3″・f=50mm・F1.8
ViSWIR Liteシリーズ Visible+SWIR対応1.5メガ
H0514-VSW  1/2″・f=5mm・F1.4
M0814-VSW  2/3″・f=8mm・F1.4
M1214-VSW  2/3″・f=12mm・F1.4
M1614-VSW  2/3″・f=16mm・F1.4
M2514-VSW  2/3″・f=25mm・F1.4
M3514-VSW  2/3″・f=35mm・F1.4
M5018-VSW  2/3″・f=50mm・F1.8
ViSWIR Hyper APOシリーズ Visible+SWIR対応5メガ
M0818-APVSW2  1/1.4″・f=8mm・F1.8
M1218-APVSW2  1/1.4″・f=12mm・F1.8
M1618-APVSW2  1/1.4″・f=16mm・F1.8
M2518-APVSW2  1/1.4″・f=25mm・F1.8
M3518-APVSW  1/1.4″・f=35mm・F1.8
M5018-APVSW  1/1.4″・f=50mm・F1.8
MPXシリーズ(2/3″ 16メガ)
M0828-MPX  2/3″・f=8mm
M1228-MPX  2/3″・f=12mm
M1628-MPX  2/3″・f=16mm
M2528-MPX  2/3″・f=25mm
M3528-MPX  2/3″・f=35mm
M5028-MPX  2/3″・f=50mm
M7538-MPX  2/3″・f=75mm
MPZシリーズ(1″ 20メガ)
V0826-MPZ  1″・f=8mm
V1226-MPZ  1″・f=12mm
V1624-MPZ  1″・f=16mm
V2520-MPZ  1″・f=25mm
V3522-MPZ  1″・f=35mm
V5024-MPZ  1″・f=50mm
V7531-MPZ  1″・f=75mm
MPYシリーズ(1.1″ 24メガ)
V0828-MPY2  1.1″・f=8mm
V1228-MPY2  1.1″・f=12mm
V1628-MPY2  1.1″・f=16mm
V2528-MPZY  1.1″・f=25mm
V3528-MPZY  1.1″・f=35mm
V5028-MPZY  1.1″・f=50mm
メガピクセル対応FAレンズ
H0514-MP2  1/2″・f=5mm・F1.4
M0814-MP2  2/3″・f=8mm・F1.4
M1214-MP2  2/3″・f=12mm・F1.4
M1614-MP2  2/3″・f=16mm・F1.4
M2514-MP2  2/3″・f=25mm・F1.4
M3514-MP2  2/3″・f=35mm・F1.4
M5018-MP2  2/3″・f=50mm・F1.8
LensConnect
DL-MPYシリーズ
DL0828UC-MPY  1/1.1″・f=8mm・F2.8
DL1224UC-MPY  1/1.1″・f=12mm・F2.4
DL1623UC-MPY  1/1.1″・f=16mm・F2.3
DL2523UC-MPY  1/1.1″・f=25mm・F2.3
DL3525UC-MPY  1/1.1″・f=35mm・F2.5
DL5028UC-MPY  1/1.1″・f=50mm・F2.8
VL-MPZシリーズ
VL0826U-MPZ  1″・f=8mm・F2.6
VL1226U-MPZ  1″・f=12mm・F2.6
VL1624U-MPZ  1″・f=16mm・F2.4
VL2520U-MPZ  1″・f=25mm・F2.0
VL3522U-MPZ  1″・f=35mm・F2.2
VL5024U-MPZ  1″・f=50mm・F2.4
VL7531U-MPZ  1″・f=72mm・F3.1
Varifocalシリーズ
VL6Z1626UC-MPYIR  1.1″・f=16-96mm・F2.6
EL6Z0915UCS-MPWIR  1/1.8″・f=9-50mm・F1.5
EL3Z0416UCS-MPWIR  1/1.8″・f=4.0-10mm・F1.6