hikarimart.net
OpticalGarden/光マート TOPページ
・
ENGLISH SITE
光マートについて hikarimar.net
ネットショップ 光マート
新製品・新着情報
製品INDEX(型番リスト)
光学資料(カメラ・レンズ)
主な取扱メーカー
光源装置・ライトガイド・集光レンズ
カメラ(USB・GigE・CameraLink・HD・アナログ・その他)
レンズ(マシンビジョン・セキュリティ・ズーム)
フィルター(MC・UV・IR・ND・PL・シャープカット・バンドパス)
レンズアクセサリー(コンバータ・エクステンダー・コントローラ)
マクロレンズ・テレセンットリックレンズ
マクロズームレンズ
スタンド(カメラ用・マイクロスコープ用・特注)
スコープ(マイクロスコープ・工業用内視鏡)
関連商品(ライン発生器・液晶モニタ・ソフト)
UV-C紫外線殺菌灯・体温スクリーニング・サーマルカメラ
ドライブレコーダー
● 問合せについて
● 問合せフォーム(PC)
INDEX
新製品・新着
光源装置・ライトガイド
カメラ
USBカメラ
C/CSマウントカメラ
レンズ
マクロ/テレセントリックレンズ
フィルター
スコープ
スタンド
その他
ショップ
OpticalGarden
/
レンズ一覧
/
テレセントリック(同軸)一覧
/
VS Technology製品ラインナップ
/ VS-TCHシリーズ 同軸落射照明・WD50〜75mm
OpticalGarden(TOP)
光マートについて
ネットショップ 光マート
新製品・新着情報
光学資料(カメラ・レンズ)
主な取扱メーカー
マクロズームレンズ一覧
マクロレンズ(ストレート)一覧
マクロレンズ(同軸)一覧
VS Technology
マクロレンズ
VS-LDVシリーズ
VS-LLDシリーズ
VS-LDAシリーズ
VS-MCシリーズ
VS-UVシリーズ(UV対応)
CCTVレンズ
SV-Vシリーズ 1/2-1″
SV-Hシリーズ 2/3″MP
VS-H1シリーズ 1″4-9MP
VS-HVシリーズ 1.1″12MP
VS-085シリーズ 4/3″8MP
近赤外対応CCTVレンズ
VS-H-IRC/11シリーズ NIR
VS-V-IRシリーズ IR
VS-H1-SWIRシリーズ SWIR
テレセントリック(メガ対応)
VS-THVシリーズ1.1″12MP
VS-THVシリーズ 1″MP
VS-TCTシリーズ2/3″10MP
VS-TCHシリーズ 2/3″MP
ストレート・WD65mm
ストレート・WD110mm
同軸落射・WD65mm
同軸落射・WD110mm
VS-TECシリーズ 2/3″5MP
VS-TEC0304 2/3″5MP
VS-TEC0513 2/3″5MP
VS-TCMシリーズ 1.1″MP
VS-TCMシリーズ 2/3″MP
テレセントリック
VS-TCM1-65CO/S-RIR
VS-TM10-55CO-SWIR
VS-THV-SWIRシリーズ
APTシリーズWD65・110mm
TCシリーズ WD40mm
TCシリーズ WD65mm
TCシリーズ WD110mm
TCシリーズ WD220mm
マクロズームレンズ一覧
VSZ-M0108S
VSZ-M0324S
VSZ-10100
VSZ-0745/VSZ-0745CO
VSZ-0530/VSZ-0530CO
● 問合せについて
● 問合せフォーム
VS-TCHシリーズ メガピクセル対応ハイレゾリューションテレセントリックレンズ
同軸落射照明タイプ・WD50mm/WD60mm/WD65mm/WD70mm/WD75mm
VS-TCH Series High Resolution Telecentric Lenses
VS-TCH05-65CO
VS-TCH08-65CO
VS-TCH1-50CO
VS-TCH1-65CO
VS-TCH1.5-65CO
VS-TCH2-65CO
VS-TCH3-60CO
VS-TCH4-65CO
VS-TCH6-65CO
VS Technology
■
TCシリーズをメガピクセル化した高解像テレセントリックレンズシリーズ
■
徹底的にディストーションとコントラストにこだわった設計
■
光量差も無い為、ハイクオリティな画像の取得が可能。
◘
ストレート・WD50mm/WD60mm/WD65mm/WD70mm/WD75mm
◘
ストレート・WD100mm/WD110mm
▶
同軸落射照明・WD50mm/WD60mm/WD65mm/WD70mm/WD75mm
◘
同軸落射照明・WD100mm/WD110mm
■
VS-TCH05-65CO テレセントリックレンズ 倍率×0.5、W.D=75.3mm、同軸落射照明
■
価格:お問合せ下さい
型番
VS-TCH05-65CO
倍率
×0.5 ±5%
視野(V×H)
2/3″
14.2×16.8mm
1/2″
9.6×12.8mm
1/3″
7.2×9.6mm
W.D
75.3±2mm
物像間距離O/I
153.3mm
実効F
9.4
NA
0.027
被写界深度
3.0mm(最小錯乱円Φ0.04mm)
TVディストーション(2/3″)
0.02%
周辺光量(Y=5.5)
94%
設計波長
Visible(400nm-700nm)
マウント
C-mount
フランジバック
17.526mm
適合センサーサイズ
2/3″
同軸落射照明
Built-in
フィルター径
M30.5P=0.5
重量
66g
外形寸法
Φ32(max.)×L=60.5mm
外観図
■
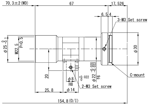
VS-TCH08-65CO テレセントリックレンズ 倍率×0.8、W.D=70.3mm、同軸落射照明
■
価格:お問合せ下さい
型番
VS-TCH08-65CO
倍率
×0.8 ±5%
視野(V×H)
2/3″
8.9×10.5mm
1/2″
6.0×8.0mm
1/3″
4.5×6.0mm
W.D
70.3±2mm
物像間距離O/I
154.8mm
実効F
9.6
NA
0.042
被写界深度
1.2mm(最小錯乱円Φ0.04mm)
TVディストーション(2/3″)
0.01%
周辺光量(Y=5.5)
98%
設計波長
Visible(400nm-700nm)
マウント
C-mount
フランジバック
17.526mm
適合センサーサイズ
2/3″
同軸落射照明
Built-in
フィルター径
M22.5P=0.5
重量
62g
外形寸法
Φ30(max.)×L=67mm
外観図
■
VS-TCH1-50CO テレセントリックレンズ 倍率×1.0、W.D=53.3mm、同軸落射照明
■
価格:お問合せ下さい
型番
VS-TCH1-50CO
倍率
×1.0 ±5%
視野(V×H)
2/3″
7.1×8.4mm
1/2″
4.8×6.4mm
1/3″
3.6×4.8mm
W.D
53.3±3mm
物像間距離O/I
127.8mm
実効F
9.9
NA
0.050
被写界深度
0.8mm(最小錯乱円Φ0.04mm)
TVディストーション(2/3″)
0.02%
周辺光量(Y=5.5)
99%
設計波長
Visible(400nm-700nm)
マウント
C-mount
フランジバック
17.526mm
適合センサーサイズ
2/3″
同軸落射照明
Built-in
フィルター径
−
重量
45g
外形寸法
Φ30(max.)×L=57mm
外観図
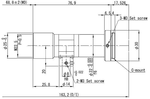
■
VS-TCH1-65CO テレセントリックレンズ 倍率×1.0、W.D=68.8mm、同軸落射照明
■
価格:お問合せ下さい
型番
VS-TCH1-65CO
倍率
×1.0 ±5%
視野(V×H)
2/3″
7.1×8.4mm
1/2″
4.8×6.4mm
1/3″
3.6×4.8mm
W.D
68.8±2mm
物像間距離O/I
163.2mm
実効F
9.9
NA
0.050
被写界深度
0.8mm(最小錯乱円Φ0.04mm)
TVディストーション(2/3″)
0.01%
周辺光量(Y=5.5)
99%
設計波長
Visible(400nm-700nm)
マウント
C-mount
フランジバック
17.526mm
適合センサーサイズ
2/3″
同軸落射照明
Built-in
フィルター径
M22.5P=0.5
重量
64g
外形寸法
Φ30(max.)×L=76.9mm
外観図
■
VS-TCH1.5-65CO テレセントリックレンズ 倍率×1.5、W.D=65mm、同軸落射照明
■
価格:お問合せ下さい
型番
VS-TCH1.5-65CO
倍率
×1.5 ±5%
視野(V×H)
2/3″
4.7×5.6mm
1/2″
3.2×4.3mm
1/3″
2.4×3.2mm
W.D
65.0±2mm
物像間距離O/I
156.9mm
実効F
11.8
NA
0.064
被写界深度
0.4mm(最小錯乱円Φ0.04mm)
TVディストーション(2/3″)
0.01%
周辺光量(Y=5.5)
100%
設計波長
Visible(400nm-700nm)
マウント
C-mount
フランジバック
17.526mm
適合センサーサイズ
2/3″
同軸落射照明
Built-in
フィルター径
M22.5P=0.5
重量
64g
外形寸法
Φ30(max.)×L=74.4mm
外観図
■
VS-TCH2-65CO テレセントリックレンズ 倍率×2.0、W.D=65mm、同軸落射照明
■
価格:お問合せ下さい
型番
VS-TCH2-65CO
倍率
×2.0 ±5%
視野(V×H)
2/3″
3.6×4.2mm
1/2″
2.4×3.2mm
1/3″
1.8×2.4mm
W.D
65.0±2mm
物像間距離O/I
162.7mm
実効F
13.6
NA
0.074
被写界深度
0.3mm(最小錯乱円Φ0.04mm)
TVディストーション(2/3″)
0.03%
周辺光量(Y=5.5)
98%
設計波長
Visible(400nm-700nm)
マウント
C-mount
フランジバック
17.526mm
適合センサーサイズ
2/3″
同軸落射照明
Built-in
フィルター径
M22.5P=0.5
重量
62g
外形寸法
Φ30(max.)×L=80.2mm
外観図
■
VS-TCH3-60CO テレセントリックレンズ 倍率×3.0、W.D=59.8mm、同軸落射照明
■
価格:お問合せ下さい
型番
VS-TCH3-60CO
倍率
×3.0 ±5%
視野(V×H)
2/3″
2.4×2.8mm
1/2″
1.6×2.1mm
1/3″
1.2×1.6mm
W.D
59.8±2mm
物像間距離O/I
188.7mm
実効F
20.5
NA
0.073
被写界深度
0.2mm(最小錯乱円Φ0.04mm)
TVディストーション(2/3″)
0.01%
周辺光量(Y=5.5)
99%
設計波長
Visible(400nm-700nm)
マウント
C-mount
フランジバック
17.526mm
適合センサーサイズ
2/3″
同軸落射照明
Built-in
フィルター径
M22.5P=0.5
重量
76g
外形寸法
Φ30(max.)×L=111.4mm
外観図
■
VS-TCH4-65CO テレセントリックレンズ 倍率×4.0、W.D=65mm、同軸落射照明
■
価格:お問合せ下さい
型番
VS-TCH4-65CO
倍率
×4.0 ±5%
視野(V×H)
2/3″
1.8×2.1mm
1/2″
1.2×1.6mm
1/3″
0.9×1.2mm
W.D
65.0±2mm
物像間距離O/I
187.8mm
実効F
17.9
NA
0.112
被写界深度
0.09mm(最小錯乱円Φ0.04mm)
TVディストーション(2/3″)
0.02%
周辺光量(Y=5.5)
85%
設計波長
Visible(400nm-700nm)
マウント
C-mount
フランジバック
17.526mm
適合センサーサイズ
2/3″
同軸落射照明
Built-in
フィルター径
M22.5P=0.5
重量
84g
外形寸法
Φ30(max.)×L=105.3mm
外観図
■
VS-TCH6-65CO テレセントリックレンズ 倍率×6.0、W.D=65.8mm、同軸落射照明
■
価格:お問合せ下さい
型番
VS-TCH6-65CO
倍率
×6.0 ±5%
視野(V×H)
2/3″
1.2×1.4mm
1/2″
0.8×1.1mm
1/3″
0.6×0.8mm
W.D
65.8±2mm
物像間距離O/I
201.7mm
実効F
27.0
NA
0.111
被写界深度
0.06mm(最小錯乱円Φ0.04mm)
TVディストーション(2/3″)
0.02%
周辺光量(Y=5.5)
84%
設計波長
Visible(400nm-700nm)
マウント
C-mount
フランジバック
17.526mm
適合センサーサイズ
2/3″
同軸落射照明
Built-in
フィルター径
M22.5P=0.5
重量
92g
外形寸法
Φ30(max.)×L=118.4mm
外観図
■
同軸落射照明
Coaxial epi-illumination)
>
同軸落射照明用ライトガイド
LED/ハロゲン光源装置
同軸落射照明用ライトガイド
丸型スポットLED光源
スポット型LED照明(φ8×12mm)
同軸落射照明へ直接取付可能
●お問合せ→
fujiwara@ff-net.jp