hikarimart.net
OpticalGarden/光マート TOPページ
・
ENGLISH SITE
光マートについて hikarimar.net
ネットショップ 光マート
新製品・新着情報
製品INDEX(型番リスト)
光学資料(カメラ・レンズ)
主な取扱メーカー
光源装置・ライトガイド・集光レンズ
カメラ(USB・GigE・CameraLink・HD・アナログ・その他)
レンズ(マシンビジョン・セキュリティ・ズーム)
フィルター(MC・UV・IR・ND・PL・シャープカット・バンドパス)
レンズアクセサリー(コンバータ・エクステンダー・コントローラ)
マクロレンズ・テレセンットリックレンズ
マクロズームレンズ
スタンド(カメラ用・マイクロスコープ用・特注)
スコープ(マイクロスコープ・工業用内視鏡)
関連商品(ライン発生器・液晶モニタ・ソフト)
UV-C紫外線殺菌灯・体温スクリーニング・サーマルカメラ
ドライブレコーダー
● 問合せについて
● 問合せフォーム(PC)
INDEX
光源装置・ライトガイド
カメラ
USBカメラ
C/CSマウントカメラ
レンズ
マクロ/テレセントリックレンズ
フィルター
スコープ
スタンド
その他
ショップ
OpticalGarden
/
レンズ
/
テレセントリック
/
テレセントリックレンズ(同軸落射)
/
VS Technology製品一覧
/ VS-TC WD110〜150mm
OpticalGarden(TOP)
光マートについて
ネットショップ 光マート
新製品・新着情報
光学資料(カメラ・レンズ)
主な取扱メーカー
マクロズームレンズ一覧
マクロレンズ(ストレート)一覧
マクロレンズ(同軸)一覧
VS Technology
マクロレンズ
VS-LDVシリーズ
VS-LLDシリーズ
VS-LDAシリーズ
VS-MCシリーズ
VS-UVシリーズ(UV対応)
CCTVレンズ
SV-Vシリーズ 1/2-1″
SV-Hシリーズ 2/3″MP
VS-H1シリーズ 1″4-9MP
VS-HVシリーズ 1.1″12MP
VS-085シリーズ 4/3″8MP
近赤外対応CCTVレンズ
VS-H-IRC/11シリーズ NIR
VS-V-IRシリーズ IR
VS-H1-SWIRシリーズ SWIR
テレセントリック(メガ)
VS-THVシリーズ1.1″12MP
VS-THVシリーズ 1″MP
VS-TCTシリーズ2/3″10MP
VS-TCHシリーズ 2/3″MP
VS-TECシリーズ 2/3″5MP
VS-TEC0304 2/3″5MP
VS-TEC0513 2/3″5MP
VS-TCMシリーズ 1.1″MP
VS-TCMシリーズ 2/3″MP
テレセントリック
VS-TCM1-65CO/S-RIR
VS-TM10-55CO-SWIR
VS-THV-SWIRシリーズ
APTシリーズWD65・110mm
TCシリーズ WD40mm
TCシリーズ WD65mm
TCシリーズ WD110mm
TCシリーズ WD220mm
マクロズームレンズ一覧
VSZ-M0108S
VSZ-M0324S
VSZ-10100
VSZ-0745/VSZ-0745CO
VSZ-0530/VSZ-0530CO
● 問合せについて
● 問合せフォーム
テレセントリックレンズ VS-TC シリーズ WD110〜150mm
TELECENTRIC LENSES
VS Technology
■
ロングWD(110〜150mm)テレセントリック系マクロレンズ
■
全種マシンビジョン対応型で固定倍率、固定絞りタイプ
■
マシンビジョン専用マクロ設計による細型・小型・軽量化
■
低ディストーション・高解像度・Cマウント仕様
■
同軸落射タイプ/ストレートタイプの選択が可能
■
様々なワークや画像入力精度に合わせて仕様選択が可能
◆ご注文・販売価格はこちらへ→
ショップ(光マート)
※商社様、小売店様は別途見積り致しますのでお問合せ下さい。
■
同軸落射タイプ
型番
光学
倍率
視野(V×H mm)
WD
(mm)
O/I
(mm)
実効F
N.A.
被写
界深
度
(mm)
分解
能
TV
ディストー
ション
重量
(g)
2/3"
1/2"
1/3"
VS-TC05-150CO
0.5×
―
9.6x12.8
7.2x9.6
152.2
251.7
12.5
0.02
4
16.7μ
0.1%
82
VS-TC1-110CO
1.0×
6.6x8.8
4.8x6.4
3.6x4.8
113
210
20
0.025
1.6
13.4μ
0.00%
48
VS-TC1.5N-110CO
1.5×
―
3.2x4.3
2.4x3.2
112.0
209.9
18.8
0.040
0.7
―
0.02%
42
VS-TC2-110CO-LD
2.0×
―
2.4x3.2
1.8x2.4
110
214.7
24.9
0.04
0.5
−
0.00%
46
VS-TC3-110CO
3.0×
2.4x2.8
1.6x2.1
1.2x1.6
107.3
227.7
37.5
0.04
0.3
8.3μ
0.1%
56
VS-TC4-110CO-LD
4.0×
1.8x2.1
1.2x1.6
0.9x1.2
110
219.0
41.7
0.048
0.2
−
0.00%
54
VS-TC6-110CO-LD
6.0×
1.2x1.4
0.8x1.1
0.6x0.8
112.4
244.1
67.3
0.045
0.1
―
0.00%
60
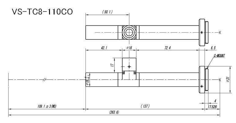
VS-TC8-110CO-LD
8.0×
0.9x1.1
0.6x0.8
0.5x0.6
112.0
264.6
89.3
0.045
0.1
―
0.00%
66
★
同軸落射照明について
★
◆ご注文・販売価格はこちらへ→
ショップ(光マート)
■
ストレートタイプ
型番
光学
倍率
視野(V×H mm)
WD
(mm)
O/I
(mm)
実効F
N.A.
被写
界深
度
(mm)
分解能
TV
ディストー
ション
重量
(g)
2/3"
1/2"
1/3"
VS-TC05-150
0.5×
―
9.6x12.8
7.2x9.6
152.2
251.7
12.5
0.02
4
16.7μ
0.1%
76
VS-TC1-110
1.0×
6.6x8.8
4.8x6.4
3.6x4.8
113
210
20
0.025
1.6
13.4μ
0.00%
42
VS-TC1.5N-110
1.5×
―
3.2x4.3
2.4x3.2
112.0
209.9
18.8
0.04
0.7
―
0.02%
42
VS-TC2-110-LD
2.0×
3.3x4.4
2.4x3.2
1.8x2.4
110
214.7
24.9
0.04
0.5
8.3μ
0.00%
46
VS-TC3-110
3.0×
2.4x2.8
1.6x2.1
1.2x1.6
107.3
227.7
37.5
0.04
0.3
8.3μ
0.1%
48
VS-TC4-110-LD
4.0×
1.8x2.1
1.2x1.6
0.9x1.2
110
219.0
41.7
0.048
0.2
6.7μ
0.00%
49
VS-TC6-110-LD
6.0×
1.2x1.4
0.8x1.1
0.6x0.8
112.4
244.1
67.3
0.045
0.1
―
0.00%
54
VS-TC8-110-LD
8.0×
0.9x1.1
0.6x0.8
0.5x0.6
112.0
264.6
89.3
0.045
0.1
―
0.00%
60
※O/I→物像間距離
※被写界深度:許容錯乱円径φ0.04時の計算値です。
※分解能:λ550mm時の計算値です。
◆ご注文・販売価格はこちらへ→
ショップ(光マート)
●お問合せ→
fujiwara@ff-net.jp