 |
 |
 |
テレセントリックレンズ VS-TC シリーズ WD40mm
TELECENTRIC LENSES
VS Technology
|
|
|
 |
■ショートWD(40mm)テレセントリック系マクロレンズ
■全種マシンビジョン対応型で固定倍率、固定絞りタイプ
■マシンビジョン専用マクロ設計による細型・小型・軽量化
■低ディストーション・高解像度・Cマウント仕様
■同軸落射タイプ/ストレートタイプの選択が可能
■様々なワークや画像入力精度に合わせて仕様選択が可能
|
|
◆ご注文・販売価格はこちらへ→ ショップ(光マート)
※商社様、小売店様は別途見積り致しますのでお問合せ下さい。
|
 |
 |
| ■ 同軸落射タイプ |
|
| 型番 |
光学 倍率 |
視野(V×H mm) |
WD (mm) |
O/I (mm) |
実効 F |
N.A. |
被写界 深度 (mm) |
分解能 |
TV ディストーション |
重量 (g) |
| 1/2" |
1/3" |
|
1.5× |
3.2x4.3 |
2.4x3.2 |
39.3 |
113.8 |
11.2 |
0.067 |
0.4 |
4.7μ |
0.00% |
42 |
|
2.0× |
2.4x3.2 |
1.8x2.4 |
39.5 |
96 |
15.0 |
0.067 |
0.3 |
4.7μ |
0.00% |
35 |
|
3.0× |
1.6x2.1 |
1.2x1.6 |
37.2±1 |
107.9 |
23.5 |
0.064 |
0.2 |
− |
0.00% |
39 |
|
4.0× |
1.2x1.6 |
0.9x1.2 |
39.6 |
103 |
29.4 |
0.068 |
0.1 |
4.7μ |
0.00% |
36 |
|
6.0× |
0.8x1.06 |
0.6x0.8 |
39.5 |
114.4 |
42.8 |
0.07 |
0.095 |
4.7μ |
0.1%以下 |
39 |
|
8.0× |
0.6x0.8 |
0.45x0.6 |
39.2 |
126 |
57.1 |
0.07 |
0.071 |
4.7μ |
0.1%以下 |
42 |
|
|
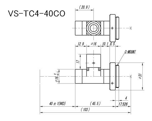
VS-TC6-40CO、VS-TC8-40COは、生産終了・販売終了です。
|
|
★同軸落射照明について★
|
◆ご注文・販売価格はこちらへ→ ショップ(光マート)
※商社様、小売店様は別途見積り致しますのでお問合せ下さい。
|
 |
 |
| ■ ストレートタイプ |
|
| 型番 |
光学 倍率 |
視野(V×H mm) |
WD (mm) |
O/I (mm) |
実効F |
N.A. |
被写 界深度 (mm) |
分解能 |
TV ディストーション |
重量 (g) |
| 1/2" |
1/3" |
|
1.5× |
3.2x4.3 |
2.4x3.2 |
39.3 |
113.8 |
11.2 |
0.067 |
0.4 |
4.7μ |
0.00% |
37 |
|
2.0× |
2.4x3.2 |
1.8x2.4 |
39.5 |
96 |
15.0 |
0.067 |
0.3 |
4.7μ |
0.00% |
30 |
|
3.0× |
1.6x2.1 |
1.2x1.6 |
37.2±1 |
107.9 |
23.5 |
0.064 |
0.2 |
− |
0.00% |
33 |
|
4.0× |
1.2x1.6 |
0.9x1.2 |
39.6 |
103 |
29.4 |
0.066 |
0.1 |
4.7μ |
0.00% |
31 |
|
6.0× |
0.8x1.06 |
0.6x0.8 |
39.5 |
114.4 |
42.8 |
0.07 |
0.095 |
4.7μ |
0.1%以下 |
32 |
|
8.0× |
0.6x0.8 |
0.45x0.6 |
39.2 |
126 |
57.1 |
0.07 |
0.071 |
4.7μ |
0.1%以下 |
35 |
|
|
VS-TC6-40、VS-TC8-40は、生産終了・販売終了です。
|
|
※O/I→物像間距離
※被写界深度:許容錯乱円径φ0.04時の計算値です。
※分解能:λ550mm時の計算値です。
|
◆ご注文・販売価格はこちらへ→ ショップ(光マート)
※商社様、小売店様は別途見積り致しますのでお問合せ下さい。
|
 |
 |
| ■ 同軸落射照明 |
Coaxial epi-illumination) |
|
> |
LED/ハロゲン光源装置
同軸落射照明用ライトガイド
|
 |
スポット型LED照明(φ8×12mm)
同軸落射照明へ直接取付可能
|
|
|
|