 |
 |
 |
近赤外対応テレセントリックレンズ
SWIR Compatible Telecentric lenses
VS-TM10-55CO-SWIR
VS Technology
|
|
|
 |
■光学倍率10x
■顕微鏡と同等の解像力
■Long WD設計により、照明系の自由度が高い
■900nm - 1500nmの透過率を高めたレンズ
■解像力:中心20lp/mm、周辺20lp/mm(MTF 30%時)
|
|
◆VS-TM10-55CO-SWIR 価格・納期 → お問い合わせ下さい
※商社様、小売店様は別途見積り致しますのでお問合せ下さい。
|
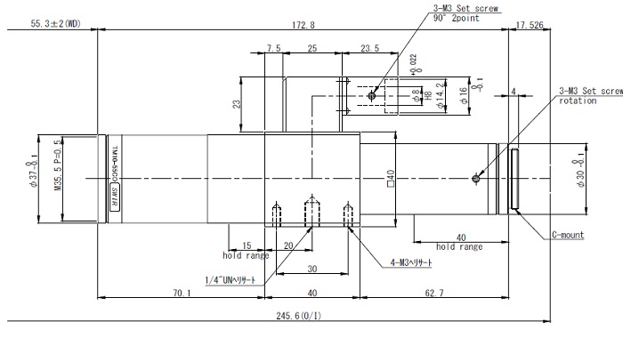
| レンズ仕様 |
| 型番 |
VS-TM10-55CO-SWIR |
| 適合カメラ |
2/3インチ以下 |
| 光学倍率 |
×10 ±5% |
| 視野範囲(H×V) | 1/2インチ |
0.8 × 0.7 mm |
| 1/2インチ |
0.6 × 0.5mm |
| 1/3インチ |
0.5 × 0.4mm |
| WD |
55.3mm ±2 |
| 物体間距離O/I |
245.6 o |
| 実効F(絞り開放時) |
22.0 |
| NA |
0.230 |
| 被写界深度(最小錯乱円φ0.04mm) |
0.02 mm |
| TVディストーション(2/3インチ) |
0.08% |
| 周辺光量(γ=5.5) |
90% |
| 設計波長 |
Short Wave IR (SWIR) |
| マウント |
Cマウント |
| フランジバック |
17.526 |
| 同軸落射照明 |
Built-in |
| フィルター径 |
M35.5P=0.5 |
| 重量 |
370g |
| 外観寸法 |
φ37(max)×172.8mm |
| 価格 |
要問合 |
|
|
|
|
|
一つの光源で、多彩な波長を実現する 究極の照明ソリューション
|
 |
ご希望の波長にカスタマイズ可能(標準品:1000nm〜1200nm)
3種類の波長を各々調光可能、単波長として、合成して多波長光としてもOK
|
|
|
国内メーカー製同軸落射照明対応レンズ用の光源として使用可能
|
 |
同軸落射照明へ直接取付可能です。(取付:φ8×12mm)
白色以外の各色、紫外光、赤外光仕様にも対応致します。
|
|
|
|
|