hikarimart.net
OpticalGarden/光マート TOPページ
・
ENGLISH SITE
光マートについて hikarimar.net
ネットショップ 光マート
新製品・新着情報
製品INDEX(型番リスト)
光学資料(カメラ・レンズ)
主な取扱メーカー
光源装置・ライトガイド・集光レンズ
カメラ(USB・GigE・CameraLink・HD・アナログ・その他)
レンズ(マシンビジョン・セキュリティ・ズーム)
フィルター(MC・UV・IR・ND・PL・シャープカット・バンドパス)
レンズアクセサリー(コンバータ・エクステンダー・コントローラ)
マクロレンズ・テレセンットリックレンズ
マクロズームレンズ
スタンド(カメラ用・マイクロスコープ用・特注)
スコープ(マイクロスコープ・工業用内視鏡)
関連商品(ライン発生器・液晶モニタ・ソフト)
UV-C紫外線殺菌灯・体温スクリーニング・サーマルカメラ
ドライブレコーダー
● 問合せについて
● 問合せフォーム(PC)
INDEX
光源装置・ライトガイド
カメラ
USBカメラ
C/CSマウントカメラ
レンズ
マクロ/テレセントリックレンズ
フィルター
スコープ
スタンド
その他
ショップ
OpticalGarden
/
レンズ
/
VS Technology製品一覧
/
APTシリーズ スタンダード テレセントリックレンズ
APT2-65/APT2-65C
OpticalGarden(TOP)
光マートについて
ネットショップ 光マート
新製品・新着情報
光学資料(カメラ・レンズ)
主な取扱メーカー
マクロズームレンズ一覧
マクロレンズ(ストレート)一覧
マクロレンズ(同軸)一覧
VS Technology
マクロレンズ
VS-LDVシリーズ
VS-LLDシリーズ
VS-LDAシリーズ
VS-MCシリーズ
VS-UVシリーズ(UV対応)
CCTVレンズ
SV-Vシリーズ 1/2-1″
SV-Hシリーズ 2/3″MP
VS-H1シリーズ 1″4-9MP
VS-HVシリーズ 1.1″12MP
VS-085シリーズ 4/3″8MP
近赤外対応CCTVレンズ
VS-H-IRC/11シリーズ NIR
VS-V-IRシリーズ IR
VS-H1-SWIRシリーズ SWIR
テレセントリック(メガ)
VS-THVシリーズ1.1″12MP
VS-THVシリーズ 1″MP
VS-TCTシリーズ2/3″10MP
VS-TCHシリーズ 2/3″MP
VS-TECシリーズ 2/3″5MP
VS-TEC0304 2/3″5MP
VS-TEC0513 2/3″5MP
VS-TCMシリーズ 1.1″MP
VS-TCMシリーズ 2/3″MP
テレセントリック
APTシリーズWD65・110mm
APT08-65 0.8x,WD65
APT1-65 1.0x,WD65
APT1.5-65 1.5x,WD65
APT2-65 2.0x,WD65
APT4-65 4.0x,WD65
APT08-120 0.8x,WD120
APT1-110 1x,WD110
APT1.5-110 1.5x,WD110
APT2-110 2.0x,WD110
TCシリーズ WD40mm
TCシリーズ WD65mm
TCシリーズ WD110mm
TCシリーズ WD220mm
マクロズームレンズ一覧
VSZ-M0108S
VSZ-M0324S
VSZ-10100
VSZ-0745/VSZ-0745CO
VSZ-0530/VSZ-0530CO
● 問合せについて
● 問合せフォーム
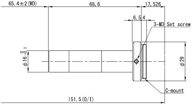
APTシリーズ スタンダード テレセントリックレンズ 光学倍率0.8× WD65mm
Standard Telecentric Lenses 2.0× WD65mm
APT2-65/APT2-65C
VS Technology
高性能とコストパフォーマンスを実現させたテレセントリックレンズ
■
ディストーションとコントラストの性能を大幅にUP
■
スタンダードテレセントリックレンズ
■
光学倍率0.8×〜4×ラインナップ
■
WD60mm、110mm、120mmラインナップ
■
ストレートタイプと同軸落射タイプ
■
φ16テレセントリックレンズ
◆APT2-65 (ストレートタイプ) 価格:29,500円(税別)/32,450円(税込) ご注文はこちらへ→
光マート
◆APT2-65C (同軸落射タイプ) 価格:31,500円(税別)/34,650円(税込) ご注文はこちらへ→
光マート
※商社様、小売店様は別途見積り致しますのでお問合せ下さい。
■
スタンダードテレセントリックレンズ 光学倍率1.5× WD65mm
【1/1.8、1/2、1/3インチ対応】
型 名
APT2-65
APT2-65C
種 別 (ストレート/同軸)
ストレート(同軸落射無し)
同軸落射対応
光学倍率
2.0× ±5%
適合センサーサイズ(max.)
1/1.8″
視野範囲(V×H)
1/1.8″
2.7 × 3.6mm
1/2″
2.4 × 3.2mm
1/3″
1.8 × 2.4mm
WD
65.4 mm ±2
物像間距離 O/I
151.5mm
実効F
25.0
N.A.
0.040
被写界深度
0.5mm 最小錯乱円φ0.04mm
TVディストーション(1/1.8″)
0.00%
設計波長
Visible
マウント
C-Mount
フランジバック
17.526mm
外観寸法
φ29 (max.)× L = 68.6mm
重量
37g
42g
価格 Price
29,500円(税別)
31,500円(税別)
APT2-65
APT2-65C
■
同軸落射照明
Coaxial epi-illumination)
>
同軸落射照明用ライトガイド
LED/ハロゲン光源装置
同軸落射照明用ライトガイド
丸型スポットLED光源
スポット型LED照明(φ8×12mm)
同軸落射照明へ直接取付可能
●お問合せ→
fujiwara@ff-net.jp