 |
 |
 |
ライン型ライトガイド
Line Light Guide
多成分ガラスファイバー
|
|
|
 |
| 素線の材質 | 多成分ガラス | プラスチック |
| ファイバー径 | 50μm | 500μm |
| コア占有面積 | 約85% | 約80% |
| 開口数 | 0.56 | 0.5 |
| 開口角度 | 約68度 | 約60度 |
|
|
|
|
|
|
|
ライン型ライトガイド
■光ファイバーを薄いシート状に配列し、帯状の光を照射
ウエハーなどのマクロ検査に最適
■シリンドリカルレンズ装着により、スリット光を照射可能
ラインセンサー用照明に最適
■標準結束径(バンドル径)φ6/φ8 その他の径は特注対応
■1本から特注・カスタマイズ対応可能
|
|
 |
 |
| ■ ライン型スリット30mm |
SUSインターロックチューブ |
|
◆ご注文・販売価格はこちらへ→ショップ(光マート)
|
| 型 番 |
ファイバ種別 |
入射側 |
保護チューブ形式他 |
長さ (m/m) |
出射側 |
標準価格 (税別) |
| 結束 |
形状 |
スリット |
形状 |
| PLG-L30-500S-6R |
多成分ガラス |
φ6 |
φ15×31 |
SUSインターロック |
500 |
30 |
W40×D45 |
51,300 |
| PLG-L30-500SP-6R |
多成分ガラス |
φ6 |
φ15×31 |
SUSインターロックPVC被覆 |
500 |
30 |
W40×D45 |
54,800 |
|
|
 |
 |
| ■ ライン型スリット30mm |
SUSインターロックチューブ・垂直取付型 |
|
◆ご注文・販売価格はこちらへ→ショップ(光マート)
|
| 型 番 |
ファイバ種別 |
入射側 |
保護チューブ形式他 |
長さ (m/m) |
出射側 |
標準価格 (税別) |
| 結束 |
形状 |
スリット |
形状 |
| PLG-L30-500V-6R |
多成分ガラス |
φ6 |
φ15×31 |
SUSインターロック |
500 |
30 |
W40×45 |
55,400 |
| PLG-L30-500VP-6R |
多成分ガラス |
φ6 |
φ15×31 |
SUSインターロックPVC被覆 |
500 |
30 |
W40×45 |
58,800 |
|
|
 |
 |
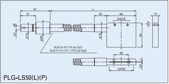
| ■ ライン型スリット30mm |
側方出射タイプ・SUSインターロックチューブ |
|
◆ご注文・販売価格はこちらへ→ショップ(光マート)
|
| 型 番 |
ファイバ種別 |
入射側 |
保護チューブ形式他 |
長さ (m/m) |
出射側 |
標準価格 (税別) |
| 結束 |
形状 |
スリット |
形状 |
| PLG-LS30-500S-6R |
多成分ガラス |
φ6 |
φ15×31 |
SUSインターロック |
500 |
30 |
W40×50 |
51,300 |
| PLG-LS30-500SP-6R |
多成分ガラス |
φ6 |
φ15×31 |
SUSインターロックPVC被覆 |
500 |
30 |
W40×50 |
54,800 |
|
|
 |
 |
| ■ ライン型スリット30mm |
SUSフレキシブルチューブ |
|
◆ご注文・販売価格はこちらへ→ショップ(光マート)
|
| 型 番 |
ファイバ種別 |
入射側 |
保護チューブ形式他 |
長さ (m/m) |
出射側 |
標準価格 (税別) |
| 結束 |
形状 |
スリット |
形状 |
| PLG-L30-750-6R |
多成分ガラス |
φ6 |
φ15×31 |
SUSフレキシブルチューブ |
750 |
30 |
W40×45 |
52,900 |
| PLG-L30-750P-6R |
多成分ガラス |
φ6 |
φ15×31 |
SUSフレキシブルPVC被覆 |
750 |
30 |
W40×45 |
56,900 |
| PLG-L30-1000-6R |
多成分ガラス |
φ6 |
φ15×31 |
SUSフレキシブルチューブ |
1000 |
30 |
W40×45 |
56,300 |
| PLG-L30-1000P-6R |
多成分ガラス |
φ6 |
φ15×31 |
SUSフレキシブルPVC被覆 |
1000 |
30 |
W40×45 |
60,400 |
| PLG-L30-1500-6R |
多成分ガラス |
φ6 |
φ15×31 |
SUSフレキシブルチューブ |
1500 |
30 |
W40×45 |
62,900 |
| PLG-L30-1500P-6R |
多成分ガラス |
φ6 |
φ15×31 |
SUSフレキシブルPVC被覆 |
1500 |
30 |
W40×45 |
67,500 |
| PLG-L30-2000-6R |
多成分ガラス |
φ6 |
φ15×31 |
SUSフレキシブルチューブ |
2000 |
30 |
W40×45 |
69,000 |
| PLG-L30-2000P-6R |
多成分ガラス |
φ6 |
φ15×31 |
SUSフレキシブルPVC被覆 |
2000 |
30 |
W40×45 |
74,500 |
| PLG-L30-3000-6R |
多成分ガラス |
φ6 |
φ15×31 |
SUSフレキシブルチューブ |
3000 |
30 |
W40×45 |
81,900 |
| PLG-L30-3000P-6R |
多成分ガラス |
φ6 |
φ15×31 |
SUSフレキシブルPVC被覆 |
3000 |
30 |
W40×45 |
88,400 |
|
|
 |
 |
| ■ ライン型スリット30mm |
側方出射タイプ・SUSフレキシブルチューブ |
|
◆ご注文・販売価格はこちらへ→ショップ(光マート)
|
| 型 番 |
ファイバ種別 |
入射側 |
保護チューブ形式他 |
長さ (m/m) |
出射側 |
標準価格 (税別) |
| 結束 |
形状 |
スリット |
形状 |
| PLG-LS30-750-6R |
多成分ガラス |
φ6 |
φ15×31 |
SUSフレキシブル |
750 |
30 |
W40×50 |
52,900 |
| PLG-LS30-750P-6R |
多成分ガラス |
φ6 |
φ15×31 |
SUSフレキシブルPVC被覆 |
750 |
30 |
W40×50 |
56,900 |
| PLG-LS30-1000-6R |
多成分ガラス |
φ6 |
φ15×31 |
SUSフレキシブル |
1000 |
30 |
W40×50 |
56,300 |
| PLG-LS30-1000P-6R |
多成分ガラス |
φ6 |
φ15×31 |
SUSフレキシブルPVC被覆 |
1000 |
30 |
W40×50 |
60,400 |
| PLG-LS30-1500-6R |
多成分ガラス |
φ6 |
φ15×31 |
SUSフレキシブル |
1500 |
30 |
W40×50 |
62,900 |
| PLG-LS30-1500P-6R |
多成分ガラス |
φ6 |
φ15×31 |
SUSフレキシブルPVC被覆 |
1500 |
30 |
W40×50 |
67,500 |
| PLG-LS30-2000-6R |
多成分ガラス |
φ6 |
φ15×31 |
SUSフレキシブル |
2000 |
30 |
W40×50 |
69,000 |
| PLG-LS30-2000P-6R |
多成分ガラス |
φ6 |
φ15×31 |
SUSフレキシブルPVC被覆 |
2000 |
30 |
W40×50 |
74,500 |
| PLG-LS30-3000-6R |
多成分ガラス |
φ6 |
φ15×31 |
SUSフレキシブル |
3000 |
30 |
W40×50 |
81,900 |
| PLG-LS30-3000P-6R |
多成分ガラス |
φ6 |
φ15×31 |
SUSフレキシブルPVC被覆 |
3000 |
30 |
W40×50 |
88,400 |
|
|
 |
 |
| ■ ライン型スリット50mm |
SUSフレキシブルチューブ |
|
◆ご注文・販売価格はこちらへ→ショップ(光マート)
|
| 型 番 |
ファイバ種別 |
入射側 |
保護チューブ形式他 |
長さ (m/m) |
出射側 |
標準価格 (税別) |
| 結束 |
形状 |
スリット |
形状 |
| PLG-L50-750-8R |
多成分ガラス |
φ8 |
φ15×31 |
SUSフレキシブル |
750 |
50 |
W60×45 |
60,900 |
| PLG-L50-750P-8R |
多成分ガラス |
φ8 |
φ15×31 |
SUSフレキシブルPVC被覆 |
750 |
50 |
W60×45 |
64,700 |
| PLG-L50-1000-8R |
多成分ガラス |
φ8 |
φ15×31 |
SUSフレキシブル |
1000 |
50 |
W60×45 |
66,300 |
| PLG-L50-1000P-8R |
多成分ガラス |
φ8 |
φ15×31 |
SUSフレキシブルPVC被覆 |
1000 |
50 |
W60×45 |
70,000 |
| PLG-L50-1500-8R |
多成分ガラス |
φ8 |
φ15×31 |
SUSフレキシブル |
1500 |
50 |
W60×45 |
76,000 |
| PLG-L50-1500P-8R |
多成分ガラス |
φ8 |
φ15×31 |
SUSフレキシブルPVC被覆 |
1500 |
50 |
W60×45 |
80,000 |
| PLG-L50-2000-8R |
多成分ガラス |
φ8 |
φ15×31 |
SUSフレキシブル |
2000 |
50 |
W60×45 |
85,900 |
| PLG-L50-2000P-8R |
多成分ガラス |
φ8 |
φ15×31 |
SUSフレキシブルPVC被覆 |
2000 |
50 |
W60×45 |
90,700 |
| PLG-L50-3000-8R |
多成分ガラス |
φ8 |
φ15×31 |
SUSフレキシブル |
3000 |
50 |
W60×45 |
106,000 |
| PLG-L50-3000P-8R |
多成分ガラス |
φ8 |
φ15×31 |
SUSフレキシブルPVC被覆 |
3000 |
50 |
W60×45 |
111,300 |
|
|
 |
 |
| ■ ライン型スリット50mm |
側方出射タイプ・SUSフレキシブルチューブ |
|
◆ご注文・販売価格はこちらへ→ショップ(光マート)
|
| 型 番 |
ファイバ種別 |
入射側 |
保護チューブ形式他 |
長さ (m/m) |
出射側 |
標準価格 (税別) |
| 結束 |
形状 |
スリット |
形状 |
| PLG-LS50-750-8R |
多成分ガラス |
φ8 |
φ15×31 |
SUSフレキシブル |
750 |
50 |
W60×50 |
66,500 |
| PLG-LS50-750P-8R |
多成分ガラス |
φ8 |
φ15×31 |
SUSフレキシブルPVC被覆 |
750 |
50 |
W60×50 |
70,500 |
| PLG-LS50-1000-8R |
多成分ガラス |
φ8 |
φ15×31 |
SUSフレキシブル |
1000 |
50 |
W60×50 |
72,000 |
| PLG-LS50-1000P-8R |
多成分ガラス |
φ8 |
φ15×31 |
SUSフレキシブルPVC被覆 |
1000 |
50 |
W60×50 |
76,000 |
| PLG-LS50-1500-8R |
多成分ガラス |
φ8 |
φ15×31 |
SUSフレキシブル |
1500 |
50 |
W60×50 |
82,900 |
| PLG-LS50-1500P-8R |
多成分ガラス |
φ8 |
φ15×31 |
SUSフレキシブルPVC被覆 |
1500 |
50 |
W60×50 |
87,500 |
| PLG-LS50-2000-8R |
多成分ガラス |
φ8 |
φ15×31 |
SUSフレキシブル |
2000 |
50 |
W60×50 |
93,800 |
| PLG-LS50-2000P-8R |
多成分ガラス |
φ8 |
φ15×31 |
SUSフレキシブルPVC被覆 |
2000 |
50 |
W60×50 |
98,500 |
| PLG-LS50-3000-8R |
多成分ガラス |
φ8 |
φ15×31 |
SUSフレキシブル |
3000 |
50 |
W60×50 |
115,700 |
| PLG-LS50-3000P-8R |
多成分ガラス |
φ8 |
φ15×31 |
SUSフレキシブルPVC被覆 |
3000 |
50 |
W60×50 |
121,500 |
|
|
 |
 |
| ■ ライン型スリット100mm |
SUSフレキシブルチューブ |
|
◆ご注文・販売価格はこちらへ→ショップ(光マート)
|
| 型 番 |
ファイバ種別 |
入射側 |
保護チューブ形式他 |
長さ (m/m) |
出射側 |
標準価格 (税別) |
| 結束 |
形状 |
スリット |
形状 |
| PLG-L100-1000-8R |
多成分ガラス |
φ8 |
φ15×31 |
SUSフレキシブル |
1000 |
100 |
W120×60 |
94,300 |
| PLG-L100-1000P-8R |
多成分ガラス |
φ8 |
φ15×31 |
SUSフレキシブルPVC被覆 |
750 |
100 |
W120×60 |
98,300 |
| PLG-L100-1500-8R |
多成分ガラス |
φ8 |
φ15×31 |
SUSフレキシブル |
1500 |
100 |
W120×60 |
105,000 |
| PLG-L100-1500P-8R |
多成分ガラス |
φ8 |
φ15×31 |
SUSフレキシブルPVC被覆 |
1000 |
100 |
W120×60 |
109,700 |
| PLG-L100-2000-8R |
多成分ガラス |
φ8 |
φ15×31 |
SUSフレキシブル |
2000 |
100 |
W120×60 |
116,300 |
| PLG-L100-2000P-8R |
多成分ガラス |
φ8 |
φ15×31 |
SUSフレキシブルPVC被覆 |
1500 |
100 |
W120×60 |
121,300 |
| PLG-L100-3000-8R |
多成分ガラス |
φ8 |
φ15×31 |
SUSフレキシブル |
3000 |
100 |
W120×60 |
137,900 |
| PLG-L100-3000P-8R |
多成分ガラス |
φ8 |
φ15×31 |
SUSフレキシブルPVC被覆 |
2000 |
100 |
W120×60 |
143,800 |
|
|
 |
 |
| ■ ライン型スリット100mm |
側方出射タイプ・SUSフレキシブルチューブ |
|
◆ご注文・販売価格はこちらへ→ショップ(光マート)
|
| 型 番 |
ファイバ種別 |
入射側 |
保護チューブ形式他 |
長さ (m/m) |
出射側 |
標準価格 (税別) |
| 結束 |
形状 |
スリット |
形状 |
| PLG-LS100-1000-8R |
多成分ガラス |
φ8 |
φ15×31 |
SUSフレキシブル |
1000 |
100 |
W120×60 |
94,300 |
| PLG-LS100-1000P-8R |
多成分ガラス |
φ8 |
φ15×31 |
SUSフレキシブルPVC被覆 |
1000 |
100 |
W120×60 |
98,300 |
| PLG-LS100-1500-8R |
多成分ガラス |
φ8 |
φ15×31 |
SUSフレキシブル |
1500 |
100 |
W120×60 |
105,000 |
| PLG-LS100-1500P-8R |
多成分ガラス |
φ8 |
φ15×31 |
SUSフレキシブルPVC被覆 |
1500 |
100 |
W120×60 |
109,700 |
| PLG-LS100-2000-8R |
多成分ガラス |
φ8 |
φ15×31 |
SUSフレキシブル |
2000 |
100 |
W120×60 |
116,300 |
| PLG-LS100-2000P-8R |
多成分ガラス |
φ8 |
φ15×31 |
SUSフレキシブルPVC被覆 |
2000 |
100 |
W120×60 |
121,300 |
| PLG-LS100-3000-8R |
多成分ガラス |
φ8 |
φ15×31 |
SUSフレキシブル |
3000 |
100 |
W120×60 |
138,000 |
| PLG-LS100-3000P-8R |
多成分ガラス |
φ8 |
φ15×31 |
SUSフレキシブルPVC被覆 |
3000 |
100 |
W120×60 |
143,800 |
|
|
 |
 |
| ■ ライン型スリット150mm |
SUSフレキシブルチューブ |
|
◆ご注文・販売価格はこちらへ→ショップ(光マート)
|
| 型 番 |
ファイバ種別 |
入射側 |
保護チューブ形式他 |
長さ (m/m) |
出射側 |
標準価格 (税別) |
| 結束 |
形状 |
スリット |
形状 |
| PLG-L150-1000-8R |
多成分ガラス |
φ8 |
φ15×31 |
SUSフレキシブル |
1000 |
150 |
W170×55 |
134,200 |
| PLG-L150-1000P-8R |
多成分ガラス |
φ8 |
φ15×31 |
SUSフレキシブルPVC被覆 |
1000 |
150 |
W170×55 |
138,400 |
| PLG-L150-1500-8R |
多成分ガラス |
φ8 |
φ15×31 |
SUSフレキシブル |
1500 |
150 |
W170×55 |
145,300 |
| PLG-L150-1500P-8R |
多成分ガラス |
φ8 |
φ15×31 |
SUSフレキシブルPVC被覆 |
1500 |
150 |
W170×55 |
149,500 |
| PLG-L150-2000-8R |
多成分ガラス |
φ8 |
φ15×31 |
SUSフレキシブル |
2000 |
150 |
W170×55 |
156,000 |
| PLG-L150-2000P-8R |
多成分ガラス |
φ8 |
φ15×31 |
SUSフレキシブルPVC被覆 |
2000 |
150 |
W170×55 |
160,900 |
| PLG-L150-3000-8R |
多成分ガラス |
φ8 |
φ15×31 |
SUSフレキシブル |
3000 |
150 |
W170×55 |
177,900 |
| PLG-L150-3000P-8R |
多成分ガラス |
φ8 |
φ15×31 |
SUSフレキシブルPVC被覆 |
3000 |
150 |
W170×55 |
183,800 |
|
|
 |
 |
| ■ ライン型スリット150mm |
側方出射タイプ・SUSフレキシブルチューブ |
|
◆ご注文・販売価格はこちらへ→ショップ(光マート)
|
| 型 番 |
ファイバ種別 |
入射側 |
保護チューブ形式他 |
長さ (m/m) |
出射側 |
標準価格 (税別) |
| 結束 |
形状 |
スリット |
形状 |
| PLG-LS150-1000-8R |
多成分ガラス |
φ8 |
φ15×31 |
SUSフレキシブル |
1000 |
150 |
W170×55 |
134,200 |
| PLG-LS150-1000P-8R |
多成分ガラス |
φ8 |
φ15×31 |
SUSフレキシブルPVC被覆 |
1000 |
150 |
W170×55 |
138,400 |
| PLG-LS150-1500-8R |
多成分ガラス |
φ8 |
φ15×31 |
SUSフレキシブル |
1500 |
150 |
W170×55 |
140,500 |
| PLG-LS150-1500P-8R |
多成分ガラス |
φ8 |
φ15×31 |
SUSフレキシブルPVC被覆 |
1500 |
150 |
W170×55 |
149,500 |
| PLG-LS150-2000-8R |
多成分ガラス |
φ8 |
φ15×31 |
SUSフレキシブル |
2000 |
150 |
W170×55 |
156,000 |
| PLG-LS150-2000P-8R |
多成分ガラス |
φ8 |
φ15×31 |
SUSフレキシブルPVC被覆 |
2000 |
150 |
W170×55 |
160,900 |
| PLG-LS150-3000-8R |
多成分ガラス |
φ8 |
φ15×31 |
SUSフレキシブル |
3000 |
150 |
W170×55 |
178,000 |
| PLG-LS150-3000P-8R |
多成分ガラス |
φ8 |
φ15×31 |
SUSフレキシブルPVC被覆 |
3000 |
150 |
W170×55 |
183,800 |
|
|
 |
 |
| ■ ライン型スリット200mm |
SUSフレキシブルチューブ |
|
◆ご注文・販売価格はこちらへ→ショップ(光マート)
|
| 型 番 |
ファイバ種別 |
入射側 |
保護チューブ形式他 |
長さ (m/m) |
出射側 |
標準価格 (税別) |
| 結束 |
形状 |
スリット |
形状 |
| PLG-L200-1000-8R |
多成分ガラス |
φ8 |
φ15×31 |
SUSフレキシブル |
1000 |
200 |
W220×55 |
143,800 |
| PLG-L200-1000P-8R |
多成分ガラス |
φ8 |
φ15×31 |
SUSフレキシブルPVC被覆 |
1000 |
200 |
W220×55 |
147,800 |
| PLG-L200-1500-8R |
多成分ガラス |
φ8 |
φ15×31 |
SUSフレキシブル |
1500 |
200 |
W220×55 |
154,800 |
| PLG-L200-1500P-8R |
多成分ガラス |
φ8 |
φ15×31 |
SUSフレキシブルPVC被覆 |
1500 |
200 |
W220×55 |
159,200 |
| PLG-L200-2000-8R |
多成分ガラス |
φ8 |
φ15×31 |
SUSフレキシブル |
2000 |
200 |
W220×55 |
165,700 |
| PLG-L200-2000P-8R |
多成分ガラス |
φ8 |
φ15×31 |
SUSフレキシブルPVC被覆 |
2000 |
200 |
W220×55 |
170,500 |
| PLG-L200-3000-8R |
多成分ガラス |
φ8 |
φ15×31 |
SUSフレキシブル |
3000 |
200 |
W220×55 |
187,500 |
| PLG-L200-3000P-8R |
多成分ガラス |
φ8 |
φ15×31 |
SUSフレキシブルPVC被覆 |
3000 |
200 |
W220×55 |
193,400 |
|
|
 |
 |
| ■ ライン型スリット200mm |
側方出射タイプ・SUSフレキシブルチューブ |
|
◆ご注文・販売価格はこちらへ→ショップ(光マート)
|
| 型 番 |
ファイバ種別 |
入射側 |
保護チューブ形式他 |
長さ (m/m) |
出射側 |
標準価格 (税別) |
| 結束 |
形状 |
スリット |
形状 |
| PLG-LS200-1000-8R |
多成分ガラス |
φ8 |
φ15×31 |
SUSフレキシブル |
1000 |
200 |
W220×55 |
143,800 |
| PLG-LS200-1000P-8R |
多成分ガラス |
φ8 |
φ15×31 |
SUSフレキシブルPVC被覆 |
1000 |
200 |
W220×55 |
147,800 |
| PLG-LS200-1500-8R |
多成分ガラス |
φ8 |
φ15×31 |
SUSフレキシブル |
1500 |
200 |
W220×55 |
154,800 |
| PLG-LS200-1500P-8R |
多成分ガラス |
φ8 |
φ15×31 |
SUSフレキシブルPVC被覆 |
1500 |
200 |
W220×55 |
159,200 |
| PLG-LS200-2000-8R |
多成分ガラス |
φ8 |
φ15×31 |
SUSフレキシブル |
2000 |
200 |
W220×55 |
165,700 |
| PLG-LS200-2000P-8R |
多成分ガラス |
φ8 |
φ15×31 |
SUSフレキシブルPVC被覆 |
2000 |
200 |
W220×55 |
170,500 |
| PLG-LS200-3000-8R |
多成分ガラス |
φ8 |
φ15×31 |
SUSフレキシブル |
3000 |
200 |
W220×55 |
187,500 |
| PLG-LS200-3000P-8R |
多成分ガラス |
φ8 |
φ15×31 |
SUSフレキシブルPVC被覆 |
3000 |
200 |
W220×55 |
193,400 |
|
|
|
|