光学関連情報サイト
光学製品・周辺機器
光学商品販売
インターネットショップ
https://www.hikarimart.net/products.html https://www.hikarimart.net/shop
近赤外対応フォーカスシフト補正テレセントリックレンズ
Adjustable magnification combination Telecentric lenses
VS-TCM1-65CO/S-RIR
VS Technology
可視光〜1200nmの波長内で、フォーカスシフトを補正し、照明の波長変更だけで、表面検査と透過検査を切り替えて使用できます

光学倍率1.0x、WD65mm

600nm,1200nmの透過率を高めたレンズ

解像力:中心90lp/mm、周辺80lp/mm
(MTF 30%時)

VS-TCM1-65CO/S-RIRなら、照明波長を変えるだけで異なる検査ができる。
また、波長を変えてもピントが合ったまま撮像できる。
撮影例:ウエハパターン
バックライト照明の波長を変えて撮像
アライメントマークがくっきり可視化できる
スポット照明の波長を変えて撮像
表面欠陥をくっきり可視化できる

Lineup
◆VS-TCM1-65CO/S-RIR  価格・納期 → お問い合わせ下さい

※商社様、小売店様は別途見積り致しますのでお問合せ下さい。

レンズ仕様
型番 VS-TCM1-65CO/S-RIR
適合カメラ 2/3インチ以下
光学倍率 ×1.0 ±5%
視野範囲(H×V)1/2インチ 8.4 × 7.1 mm
1/2インチ 6.4 × 4.8mm
1/3インチ 4.8 × 3.6mm
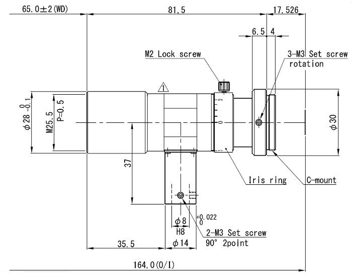
WD 65.0mm ±2
物体間距離O/I 164.0 o
実効F(絞り開放時) 7.5
NA 0.067
被写界深度(最小錯乱円φ0.04mm) 0.6 mm
TVディストーション(2/3インチ) 0.01%
周辺光量(γ=5.5) 98%
設計波長 600nm、1200nm
マウント Cマウント
フランジバック 17.526
同軸落射照明 Built-in
フィルター径 M25.5P=0.5
重量 約110g
外観寸法 φ30(max)×81.5mm
価格 要問合
一つの光源で、多彩な波長を実現する 究極の照明ソリューション
ご希望の波長にカスタマイズ可能(標準品:1000nm〜1200nm)
3種類の波長を各々調光可能、単波長として、合成して多波長光としてもOK
国内メーカー製同軸落射照明対応レンズ用の光源として使用可能
同軸落射照明へ直接取付可能です。(取付:φ8×12mm)
白色以外の各色、紫外光、赤外光仕様にも対応致します。
お問合せはこちらへ→
fujiwara@ff-net.jp
光マート  HikariMart / hikarimart.net

光学関連情報サイトOpticalGarden
インターネットショップ

光マートについて

光マートの業務

問合せ(質問・商品選定・見積依頼・相談)

E-mail  fujiwara@ff-net.jpshop@ff-net.jp
TEL.     03-6802-9429
FAX.     03-6802-9432
問合せフォーム(Windows PC)

商品一覧INDEX (型番リスト)

VS Technology(ヴイ・エス・テクノロジー)製レンズ

マクロレンズ
メガピクセル対応テレセントリックレンズ
テレセントリックレンズ
5メガピクセル対応可変倍率レンズ
テレセントリックズームレンズ→VSZ Series 一覧
CCTVレンズ
近赤外CCTVレンズ