hikarimart.net

INDEX   光源装置・ライトガイド   カメラ   USBカメラ   C/CSマウントカメラ   レンズ   マクロ/テレセントリックレンズ   フィルター   スコープ   スタンド   その他   ショップ  
テレセントリックレンズ 光学倍率8× WD40mm ストレート/同軸落射
Telecentric Lens Seies 8x WD40mm Straight/Coax
TPC8-40/TPC8-40D
TPC(TOKYO PARTS CENTER)
光学倍率1X、WD=40mm、ストレート/同軸落射
超コンパクトサイズ、位置決め・組込用途に最適

限りなく0に近い ディストーションレスを追求
ソフト側の負担を軽減する ハイコントラスト設計
少ないレンズで低コスト化を実現 コンパクト&リーズナブル
テレセントリックレンズのバリエーション

■  テレセントリックレンズ WD40 光学倍率1x 【1/2、1/3、1/4インチ対応】
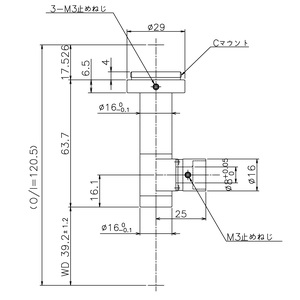
型 名 TPC8-40 TPC8-40D
種 別 Straight/Coax ストレート(同軸落射無し) 同軸落射対応
光学倍率 Magnification
WD 39.2mm
被写界深度 Depth of field 0.07mm (許容錯乱円径40µmで算出した計算値)
分解能 Resolution 4.8µm (波長550nmで算出した理論分解能)
NA 0.07
有効F値 Effective F No 56
TVディストーション TV Distortion 0.004%
質量 Weight 37g 43g
適合カメラ Sensor Size(max.) 1/2型
マウント Mount Cマウント
視野(V×H) Field of View 1/2型:0.6mm×0.8mm  1/3型:0.45mm×0.6mm
価格 Price 55,000円(税別)/60,500円(税込) 65,000円(税別)/71,500円(税込)
◆ご注文はショップ(光マート)へ→TPC8-40TPC8-40D

※商社様、小売店様は別途見積り致しますのでお問合せ下さい。


TPC8-40

TPC8-40D
■ 同軸落射照明 Coaxial epi-illumination)

LED/ハロゲン光源装置
同軸落射照明用ライトガイド

スポット型LED照明(φ8×12mm)
同軸落射照明へ直接取付可能
●お問合せ→
fujiwara@ff-net.jp