hikarimart.net
OpticalGarden/光マート TOPページ
・
ENGLISH SITE
光マートについて hikarimar.net
ネットショップ 光マート
新製品・新着情報
製品INDEX(型番リスト)
光学資料(カメラ・レンズ)
主な取扱メーカー
光源装置・ライトガイド・集光レンズ
カメラ(USB・GigE・CameraLink・HD・アナログ・その他)
レンズ(マシンビジョン・セキュリティ・ズーム)
フィルター(MC・UV・IR・ND・PL・シャープカット・バンドパス)
レンズアクセサリー(コンバータ・エクステンダー・コントローラ)
マクロレンズ・テレセンットリックレンズ
マクロズームレンズ
スタンド(カメラ用・マイクロスコープ用・特注)
スコープ(マイクロスコープ・工業用内視鏡)
関連商品(ライン発生器・液晶モニタ・ソフト)
UV-C紫外線殺菌灯・体温スクリーニング・サーマルカメラ
ドライブレコーダー
● 問合せについて
● 問合せフォーム(PC)
INDEX
光源装置・ライトガイド
カメラ
USBカメラ
C/CSマウントカメラ
レンズ
マクロ/テレセントリックレンズ
フィルター
スコープ
スタンド
その他
ショップ
OpticalGarden
/
レンズ一覧
/
SPACECOMラインナップ
/
1インチ 近赤外対応固定焦点レンズ
/ VHF16M-MP SWIR
OpticalGarden(TOP)
光マートについて
ネットショップ 光マート
新製品・新着情報
光学資料(カメラ・レンズ)
主な取扱メーカー
メーカー別レンズ一覧
対応素子サイズ別レンズ一覧
焦点距離別メガレンズ一覧
メガバリフォーカルレンズ
レンズ用アクセサリー
光学フィルター一覧
近赤外線関連製品
SPACECOM
1インチSWIR近赤外レンズ
VHF6M-MP SWIR
VHF8M-MP SWIR
VHF12.5M-MP SWIR
VHF16M-MP SWIR
VHF25M-MP SWIR
VHF35M-MP SWIR
2/3インチSWIR近赤外レンズ
ズームレンズ
手動ズームレンズ
EZ電動ズームレンズ
電動ズームレンズ(VGA)
電動ズームレンズ(Mega)
ズームレンズコントローラ
ズームコントロールBOX
固定焦点レンズ
4/3インチ メガピクセル
1インチ3〜10メガピクセル
2/3インチ8メガピクセル
2/3インチ5メガピクセル
2/3インチ3メガピクセル
メガピクセルレンズ
マシンビジョンレンズ
VGA固定焦点レンズ
ピンホールレンズ
バリフォーカル
バリフォーカルレンズ
バリズームレンズ
デイ&ナイト対応
● 問合せについて
● 問合せフォーム
1インチ 近赤外対応固定焦点レンズ 1インチSWIRシリーズ
Fixed Focal Lens for Short Wave Infrared Imaging
VHF16M-MP SWIR
SPACECOM
(オプトクラリス)
SPACECOM will soon be back on sale with a new manufacturer
オプトクラリスがSPACECOM製品の生産を引き継ぎます。(2026年2月より段階的に生産再開します)
近赤外(900〜1700nm)対応固定焦点レンズ 1インチ対応
S
hort
W
ave
I
nfra
R
ed シリーズ
■
900nm〜1700nm帯域で、高感度かつ高画質のVGA解像度撮影を実現
■
独自の光学設計により近赤外帯域で高画質を実現
■
特殊コーティング技術により、ピーク透過率は95%以上
■
画像の歪みが少なく、FA画像処理用途に最適
Deliver high level image quality with VGA(642x512pixel) under short wavelength infrared(900-1700nm).
In-house coating technique,maximum transmittance can reach up to 95%.
Low distortion helps better performance in optical inspection.
◆VHF16M-MP SWIR 販売価格:79,000円(税別) →
ショップ(光マート)
■
1インチ対応近赤外対応固定焦点レンズ
【1、1/1.2、2/3、1/1.8、1/3インチ対応】
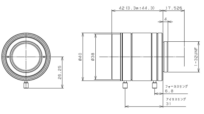
レンズ仕様
型番
VHF16M-MP SWIR
焦点距離
16mm
最大口径比
1:1.4
絞り
F1.4〜22
包括角度
1.1インチ(14.1×10.6)
48.6×37.1°
1インチ(12.8×9.6)
44.5×33.8
2/3インチ(8.8×6.6)
31.1×23.5°
1/1.8インチ(7.2×5.4)
25.6×19.2°
1/2インチ(6.4×4.8)
22.8×17.1°
1/3インチ(4.8×3.6)
17.1×12.9°
最大画面寸法
14.1mm×10.6mm(φ17.6mm)
至近距離
0.3m(前球面より)
解像力
5.0μm
光学ディストーション
至近にて 最大-3.8%、無限にて -3.4%
TVディストーション
至近にて 最大-1.0%、無限にて -0.9%
バックフォーカス
16.4mm(in Air)
フランジバック
17.526mm
操作方法
フォーカス:手動 、アイリス:手動
作動温度範囲
-10℃〜+50℃
マウント
Cマウント
フィルターネジ径
M35.5mmP0.5
外形サイズ
φ40×42mm
重量
120g
価格
79,000円(税別)
■
外観図
■
透過率
赤外透過(可視カット)フィルター Long Wave Pass Filter
■
可視カットフィルター 700nm以上透過 →
詳細ページ
OF-R70-225 (M22.5P0.5) 〜OF-R70-490 (M49P0.75)
■
可視カットフィルター 800nm以上透過 →
詳細ページ
OF-R80N-225 (M22.5P0.5) 〜OF-80N-490 (M49P0.75)
●お問合せ→
fujiwara@ff-net.jp