hikarimart.net
OpticalGarden/光マート TOPページ
・
ENGLISH SITE
光マートについて hikarimar.net
ネットショップ 光マート
新製品・新着情報
製品INDEX(型番リスト)
光学資料(カメラ・レンズ)
主な取扱メーカー
光源装置・ライトガイド・集光レンズ
カメラ(USB・GigE・CameraLink・HD・アナログ・その他)
レンズ(マシンビジョン・セキュリティ・ズーム)
フィルター(MC・UV・IR・ND・PL・シャープカット・バンドパス)
レンズアクセサリー(コンバータ・エクステンダー・コントローラ)
マクロレンズ・テレセンットリックレンズ
マクロズームレンズ
スタンド(カメラ用・マイクロスコープ用・特注)
スコープ(マイクロスコープ・工業用内視鏡)
関連商品(ライン発生器・液晶モニタ・ソフト)
UV-C紫外線殺菌灯・体温スクリーニング・サーマルカメラ
ドライブレコーダー
● 問合せについて
● 問合せフォーム(PC)
INDEX
光源装置・ライトガイド
カメラ
USBカメラ
C/CSマウントカメラ
レンズ
マクロ/テレセントリックレンズ
フィルター
スコープ
スタンド
その他
ショップ
OpticalGarden
/
レンズ一覧
/ ピンホールレンズ PHD0418CS
OpticalGarden(TOP)
光マートについて
ネットショップ 光マート
新製品・新着情報
光学資料(カメラ・レンズ)
主な取扱メーカー
メーカー別レンズ一覧
対応素子サイズ別レンズ一覧
焦点距離別メガレンズ一覧
メガバリフォーカルレンズ
レンズ用アクセサリー
光学フィルター一覧
近赤外線関連製品
レンズ一覧
メーカー別レンズ一覧
素子サイズ別レンズ一覧
メガ・固定焦点一覧
メガ・バリフォーカル一覧
手動ズームレンズ一覧
電動ズームレンズ一覧
レンズ用アクセサリー
ピンホールレンズ(DC)
ピンホールレンズ(手動)
● 問合せについて
● 問合せフォーム
1/3型 ピンホールレンズ マニュアルアイリス f=4.0mm/F1.8
1/3″Pinhole Lens Manual iris
PH0418CS
KSM
■
ピンホールレンズ:針で穴を開けたようなレンズ
ガラス研磨したレンズと違い収差がない
様々な場所に埋め込み、隠しカメラとしても使用できます
■
光学特性上、映像が上下左右逆転します
正像にするためには、カメラの画像反転機能等をご利用下さい
■
SPACECOM製ピンホールレンズの代替品として
L38PCSの代替レンズとして推奨致します。
◆PH0418CS →
本製品は受注生産品となっております。(最低生産数量:20)
※商社様、小売店様は別途見積り致しますのでお問合せ下さい。
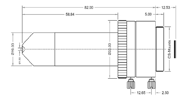
PHD0418CS
イメージャーサイズ Imager Size
1/3″
焦点距離 Focal Length
4.0mm
最大口径比 Maximum aperture ratio
1:1.8
絞り Aperture
F1.8
解像度 Resolution
2メガピクセル(中心)
画角 Field of View Angle
水平68°×垂直51°×対角89°
至近距離 Minimum object distance
0.15m
フランジバック Flange focal distance
12.5mm
操作方法 Operation
フォーカス Focus
手動 ロック付 Manual w/lock
アイリス Iris
マニュアルアイリス
マウント Mount Type
CS-Mount
大きさ Dimensions
33.0×82.0mm
質量 Weight
Approx.75g
価格 Japan domesitic price
お問合せ下さい
■
外観図 Dimensions
●お問合せ→
fujiwara@ff-net.jp