hikarimart.net
OpticalGarden/光マート TOPページ
・
ENGLISH SITE
光マートについて hikarimar.net
ネットショップ 光マート
新製品・新着情報
製品INDEX(型番リスト)
光学資料(カメラ・レンズ)
主な取扱メーカー
光源装置・ライトガイド・集光レンズ
カメラ(USB・GigE・CameraLink・HD・アナログ・その他)
レンズ(マシンビジョン・セキュリティ・ズーム)
フィルター(MC・UV・IR・ND・PL・シャープカット・バンドパス)
レンズアクセサリー(コンバータ・エクステンダー・コントローラ)
マクロレンズ・テレセンットリックレンズ
マクロズームレンズ
スタンド(カメラ用・マイクロスコープ用・特注)
スコープ(マイクロスコープ・工業用内視鏡)
関連商品(ライン発生器・液晶モニタ・ソフト)
UV-C紫外線殺菌灯・体温スクリーニング・サーマルカメラ
ドライブレコーダー
● 問合せについて
● 問合せフォーム(PC)
INDEX
光源装置・ライトガイド
カメラ
USBカメラ
C/CSマウントカメラ
レンズ
マクロ/テレセントリックレンズ
フィルター
スコープ
スタンド
その他
ショップ
OpticalGarden
/
レンズ一覧
/
メガ単焦点一覧
/
TAMRON製品ラインナップ
/
NIRメガ・バリフォーカルレンズ(DCアイリス)
/ M13VG2813IR
OpticalGarden(TOP)
光マートについて
ネットショップ 光マート
新製品・新着情報
光学資料(カメラ・レンズ)
主な取扱メーカー
メーカー別レンズ一覧
対応素子サイズ別レンズ一覧
焦点距離別メガレンズ一覧
メガバリフォーカルレンズ
レンズ用アクセサリー
光学フィルター一覧
近赤外線関連製品
バリフォーカル(TAMRON)
レンズ・テクノロジーの紹介
NIR・3メガピクセル
M13VM288IR f=2.8-8
M118VM413IR f=4-13
NIR・3メガピクセル(DC)
M13VG288IR f=2.8-8
M13VG2813IR f=2.8-13
M118VG413IR f=4-13
M13VG555IR f=5-50
M13VG850IR f=8-50
M118VG1250IR f=12-50
M117VG3817IR f=3.8-17
NIR・3メガピクセル(P)
M13VP288IR f=2.8-8
M118VP413IR f=4-13
M13VP850IR f=8-50
M118VP1250IR f=12-50
メガピクセル
M13VM246 f=2.4-6
M13VM308 f=3-8
M13VM550 f=5-50
M12VM412 f=4-12
メガピクセル(DC)
M13VG246 f=2.4-6
M13VG308 f=3-8
M13VG550 f=5-50
M12VG412 f=4-12
NIR・4K/8メガピクセル(DC)
NIR・ハイレゾリューション
13VM308ASIRII f=3-8
13VM1040ASIR f=10-40
12VM412ASIR f=4-12
12VM1040ASIR f=10-40
NIR・ハイレゾリューション(DC)
13VG2811ASIR f=2.8-11
13VG308ASIRII f=3-8
13VG1040ASIR f=10-40
12VG412ASIR f=4-12
12VG1040ASIR f=10-40
ハイレゾリューション
13VM308AS f=3-8
13VM550ASII f=5-50
13VM20100AS f=20-100
ハイレゾリューション(DC)
13VG2812ASII f=2.8-12
13VG308AS f=3-8
13VG550ASII f=5-50
13VG20100AS f=20-100
● 問合せについて
● 問合せフォーム
近赤外対応メガピクセル・バリフォーカルレンズ
焦点距離f=2.8-13mm DCオートアイリス
Mega-Pixel Vari-Focal Lenses(DC Auto Iris)
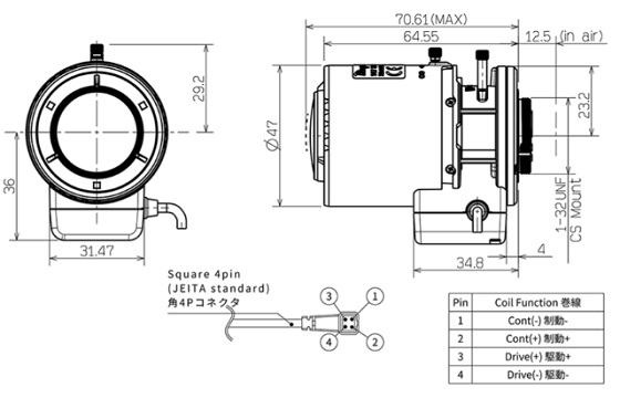
M13VG2813IR
メーカー:TAMRON (株式会社タムロン)
■
可視光域から近赤外域まで、3メガピクセル/Full HD1080P以上を実現
■
可視光域から近赤外域まで、3メガピクセル対応の高い光学性能を維持
■
近赤外域まで収差を補正し、画質劣化することなくシャープな映像を実現
■
カラーカメラ(可視光)でもDAY/Nightカメラ(近赤外光)でも高画質
■
カメラとのマッチング性を向上(マウント部の干渉なし)
■
開放F値を明るく設計、標準レンズの開放F値F1.2、望遠レンズF1.6
■
色収差を極限まで低減する設計を行い、色ニジミのない描写を実現
レンズ・テクノロジーの紹介
◆ M13VG2813IR 販売価格:38,500円(税別)/42,350円(税込)
ご注文はこちらへ→
ショップ(光マート)
※商社様、小売店様は別途見積り致しますのでお問合せ下さい。
レンズ仕様
型番
M13VG2813IR
イメージャーサイズ
1/2.7″
焦点距離
2.8〜13mm
マウント
CS-Mount
絞り範囲
F1.4〜360
フォーカス範囲
0.3m〜∞
画角
(水平×垂直)
1/2.7″
WIDE
124.3°×66.1°
TELE
26.7°×15.2°
1/3″
WIDE
101.1°×73.9°
TELE
22.3°×16.8°
操作方法
フォーカス
手動 ロック付
ズーム
手動 ロック付
アイリス
DCオートアイリス
バックフォーカス(in Air)
8.42mm
対応波長
可視光域〜近赤外域
作動電圧
Open 4V/Close 0.5V
質量
90g±5g
動作温度
−20℃〜+60℃
価格
38,500円(税別)
●お問合せ→
fujiwara@ff-net.jp