hikarimart.net
OpticalGarden/光マート TOPページ
・
ENGLISH SITE
光マートについて hikarimar.net
ネットショップ 光マート
新製品・新着情報
製品INDEX(型番リスト)
光学資料(カメラ・レンズ)
主な取扱メーカー
光源装置・ライトガイド・集光レンズ
カメラ(USB・GigE・CameraLink・HD・アナログ・その他)
レンズ(マシンビジョン・セキュリティ・ズーム)
フィルター(MC・UV・IR・ND・PL・シャープカット・バンドパス)
レンズアクセサリー(コンバータ・エクステンダー・コントローラ)
マクロレンズ・テレセンットリックレンズ
マクロズームレンズ
スタンド(カメラ用・マイクロスコープ用・特注)
スコープ(マイクロスコープ・工業用内視鏡)
関連商品(ライン発生器・液晶モニタ・ソフト)
UV-C紫外線殺菌灯・体温スクリーニング・サーマルカメラ
ドライブレコーダー
● 問合せについて
● 問合せフォーム(PC)
INDEX
光源装置・ライトガイド
カメラ
USBカメラ
C/CSマウントカメラ
レンズ
マクロ/テレセントリックレンズ
フィルター
スコープ
スタンド
その他
ショップ
OpticalGarden
/
電動ズームレンズ一覧
/
SPACECOM製品
/
電動ズームレンズ(VGA)
/
EZ電動ズームレンズ
/ EZ-L10X6.5MG/CS
OpticalGarden(TOP)
光マートについて
ネットショップ 光マート
新製品・新着情報
光学資料(カメラ・レンズ)
主な取扱メーカー
メーカー別レンズ一覧
対応素子サイズ別レンズ一覧
焦点距離別メガレンズ一覧
メガバリフォーカルレンズ
レンズ用アクセサリー
光学フィルター一覧
近赤外線関連製品
電動ズームレンズ一覧
SPACECOM
2/3インチSWIR近赤外レンズ
1インチSWIR近赤外レンズ
ズームレンズ
手動ズームレンズ
電動ズームレンズ一覧
メガピクセル電動ズーム
VGA電動ズームレンズ
L6X6.5M 6x 1/3″
H6X8M-II 6x 1/2″
S6X11M-II 6x 2/3″
L10X6M/CS 10x 1/3″
H10X8M-II 10x 1/2″
EZ-L10X65M/CS 10x
EZ-L10X65MG/CS 10x
EZ-H10X85M 10x 1/2″
EZ-H10X85MG 10x DC
G10X16M 10x 1″
H16X6.5M 16x 1/2″
S16X9.5M 16x 2/3″
EZ電動ズームレンズ
ズームレンズコントローラ
ズームコントロールBOX
固定焦点レンズ
4/3インチ メガピクセル
1インチ3〜10メガピクセル
2/3インチ8メガピクセル
2/3インチ3メガピクセル
2/3インチ2ガピクセル
メガピクセルレンズ
マシンビジョンレンズ
VGA固定焦点レンズ
ピンホールレンズ
バリフォーカル
バリフォーカルレンズ
バリズームレンズ
デイ&ナイト対応
● 問合せについて
● 問合せフォーム
10倍電動ズームレンズ
EZ-L10X6.5MG/CS / EZ-L10X6.5MG/CS PZF
EZ-L10X6.5MGE/CS
SPACECOM
株式会社スペース(SPACECOM)製品の販売終了について、詳細はこちらをご覧ください。
■
機構部品のエンジニアリングプラスチック化
機構部品は全てエンジニアリングプラスチック製です。
従来製品と比較し、金属パーツのコストを約50%、質量を60.8%として、大幅なコスト削減と軽量化を実現しました。
■
1/2インチカメラへ対応
1/3インチ以下のCSマウントカメラへ対応
■
電動ズーム、電動フォーカス、DC/VIDEOアイリス
アナログカメラは勿論、USBカメラ等にも使用可能です。
■
倍率比10倍(f=6.5〜65mm)
広角から望遠まで広範囲の画角をサポートします。
◆ EZ-L10X6.5MG/CS →
販売終了
◆ EZ-L10X6.5MGE/CS →
販売終了
※商社様、小売店様は別途見積り致しますのでお問合せ下さい。
レンズ仕様
型番
EZ-L10X6.5MG/CS
EZ-L10X6.5MG/CS PZF(TSZC)
EZ-L10X6.5MGE/CS
焦点距離
6.5〜65mm(ズーム比:10倍)
最大口径比
1:1.4
絞り
F1.4〜360相当
内蔵アッテネーターと絞りの組み 合わせによる光量調整方式
包括角度
40.5°×31.0°〜4.2×3.2°(1/3インチ)
最大画面寸法
4.8mm×3.6mm(φ6mm) 1/3〜1/4インチ
至近距離
1.2m(前球面より)
最近接の撮影範囲
84.2×63.3cm〜8.4×6.4cm
バックフォーカス
9.85mm(in Air)
フランジバック
12.5mm
操作方法
ズーム
モーター駆動(DC±6.4V,Max40mA)動作スピード(全域)約6.5sec.
フォーカス
モーター駆動(DC±6.4V,Max40mA)動作スピード(全域)約6.5sec.
アイリス
IG(オートクローズシズテム)
Close→Open:4.0V以下
Open→Close:0.1V以上
動作スピード(全域)4sec.以内
内蔵EEアンプによる
VIDEOオートアイリス
(DC+8.5〜16V:定電圧 Max40mA)
作動温度範囲
-10℃〜+50℃
マウント
CSマウント(レンズ姿勢調整可能)
フィルターネジ径
43mmP0.75
外形サイズ
70×65×104.3mm
重量
約285g
価格(税別)
定価:115,000円→90,000円
PZF / PZFI(TSZC) :要問合
EZ-L10X6.5MGE/CS
定価:125,000円→98,000円
【外観図】EZ-L10X6.5MG/CS
【外観図】EZ-L10X6.5MG/CS PZF
【外観図】EZ-L10X6.5MGE/CS
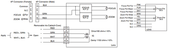
【回路図】EZ-L10X6.5MG/CS
【回路図】EZ-L10X6.5MG/CS PZF
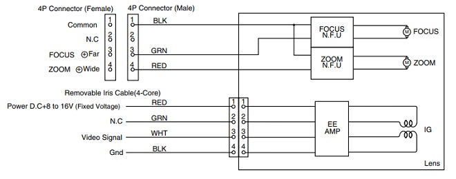
【回路図】EZ-L10X6.5MGE/CS
TSZC-06 ズームレンズコントローラ →
詳細ページ
ズーム・フォーカス・アイリスの3要素を同時に制御可能。
PCなどからUSBまたはRS232C等のシリアル通信によってレンズ操作が可能。 4点のプリセット位置を記録・移動することが可能。
◆価格:198,000円(税別)/217,800円(税込) →
販売終了
対応電動ズームレンズ:EZ-H10X8.5M PZFI(TSZC)
PZFI(TSZC) 以外は、未対応です。
CB-5 電動ズームレンズ用コントロールボックス →
詳細ページ
電動ズームレンズをリモートコントロールするための制御ユニット。
フォーカス、ズーム、アイリス 各々独立に操作可能。
◆価格:55,000円(税別)/60,500円(税込) →
販売終了
●お問合せ→
fujiwara@ff-net.jp