hikarimart.net
OpticalGarden/光マート TOPページ
・
ENGLISH SITE
光マートについて hikarimar.net
ネットショップ 光マート
新製品・新着情報
製品INDEX(型番リスト)
光学資料(カメラ・レンズ)
主な取扱メーカー
光源装置・ライトガイド・集光レンズ
カメラ(USB・GigE・CameraLink・HD・アナログ・その他)
レンズ(マシンビジョン・セキュリティ・ズーム)
フィルター(MC・UV・IR・ND・PL・シャープカット・バンドパス)
レンズアクセサリー(コンバータ・エクステンダー・コントローラ)
マクロレンズ・テレセンットリックレンズ
マクロズームレンズ
スタンド(カメラ用・マイクロスコープ用・特注)
スコープ(マイクロスコープ・工業用内視鏡)
関連商品(ライン発生器・液晶モニタ・ソフト)
UV-C紫外線殺菌灯・体温スクリーニング・サーマルカメラ
ドライブレコーダー
● 問合せについて
● 問合せフォーム(PC)
INDEX
光源装置・ライトガイド
カメラ
USBカメラ
C/CSマウントカメラ
レンズ
マクロ/テレセントリックレンズ
フィルター
スコープ
スタンド
その他
小物・雑貨
ショップ
OpticalGarden
/
レンズ一覧
/
computar製品ラインナップ
/ MPZシリーズ
OpticalGarden(TOP)
光マートについて
ネットショップ 光マート
新製品・新着情報
光学資料(カメラ・レンズ)
主な取扱メーカー
メーカー別レンズ一覧
対応素子サイズ別レンズ一覧
焦点距離別メガレンズ一覧
メガバリフォーカルレンズ
レンズ用アクセサリー
光学フィルター一覧
近赤外線関連製品
レンズ(computar)
ViSWIR Hyper APO
(1/1.4″)
M0818-APVSW2 f=8mm
M1218-APVSW2 f=12mm
M1618-APVSW2 f=16mm
M2518-APVSW2 f=25mm
M3518-APVSW f=35mm
M5018-APVSW f=50mm
ViSWIR Liteシリーズ(2/3″)
H0514-VSW f=5mm
M0814-VSW f=8mm
M1214-VSW f=12mm
M1614-VSW f=16mm
M2514-VSW f=25mm
M3514-VSW f=35mm
M5018-VSW f=50mm
SWIRレンズ
SWシリーズ(2/3″)
M1614-SW f=16mm
M2514-SW f=25mm
M3514-SW f=35mm
M5018-SW f=50mm
マシンビジョンレンズ
MPXシリーズ(2/3″)
M0828-MPX f=8mm
M1228-MPX f=12mm
M1628-MPX f=16mm
M2528-MPX f=25mm
M3528-MPX f=35mm
M5028-MPX f=50mm
M7538-MPX f=75mm
MPZシリーズ(1″)
V0826-MPZ f=8mm
V1226-MPZ f=12mm
V1624-MPZ f=16mm
V2520-MPZ f=25mm
V3522-MPZ f=35mm
V5024-MPZ f=50mm
V7531-MPZ f=75mm
MPYシリーズ(1.1″)
V0828-MPY2 f=8mm
V1228-MPY2 f=12mm
V1628-MPY2 f=16mm
V2528-MPZY f=25mm
V3528-MPZY f=35mm
V5028-MPZY f=50mm
MP2シリーズ(2/3″)
H0514-MP2 f=5mm
M0814-MP2 f=8mm
M1214-MP2 f=12mm
M1614-MP2 f=16mm
M2514-MP2 f=25mm
M3514-MP f=35mm
M5018-MP2 f=50mm
M7528-MP f=75mm
● 問合せについて
● 問合せフォーム
MPZシリーズ
1型20メガピクセル対応超高解像度レンズ
Ultra-high resolution lens, suitable for 1" 20MP Sensor
V0826-MPZ / V1226-MPZ / V1624-MPZ / V2520-MPZ
V3522-MPZ / V5024-MPZ / V7531-MPZ
comput
a
r
■
1型20メガピクセル対応の超高解像度レンズ
( IMX183 / IMX255(267) / IMX535(545) )
■
超低ディストーション設計で、用途を選ばず使用可能な高汎用性レンズ
■
高い周辺光量により、周辺までシャープでクリアーな画像を実現
■
フローティング構造により、近接から遠距離まで高性能化を実現
■
耐振5G相当、コンパクト設計
◆ご注文・販売価格については、お問合せ下さい。
■
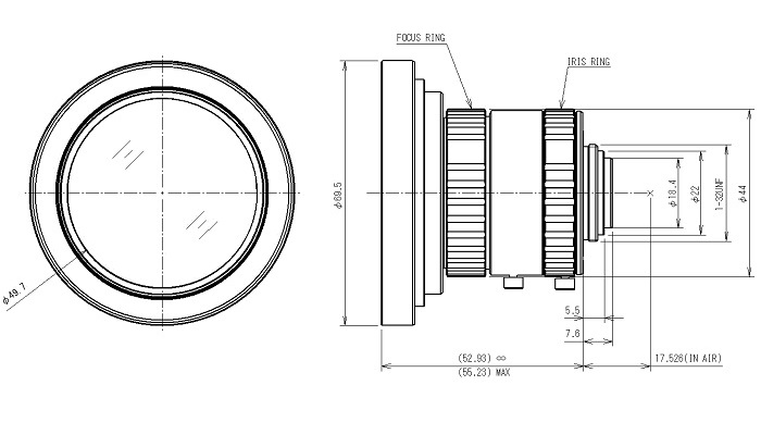
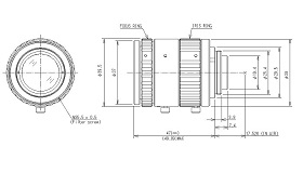
V0826-MPZ
20メガピクセル対応レンズ f=8mm 対応素子:1/1.8〜1インチ
詳細スペック・図面
V0826-MPZ
焦点距離(mm)
8
最大口径比
1:2.6
対応素子サイズ
12.8mm×9.6mm(φ16mm)
作動範囲
アイリス
F2.6−F16.0
フォーカス
0.1m−Inf.
操作方法
アイリス
手 動
フォーカス
手 動
視野範囲
(H×V)
at M.O.D.
1型
189.9mm×140.0mm
2/3型
127.8mm×94.8mm
1/1.8型
103.7mm×77.2mm
包括角度
D×H×V
1型
88.8°×76.9°×61.5°
2/3型
68.6°×57.1°×44.2°
1/1.8型
58.2°×47.8°×36.6°
レンズ有効径
前玉
φ49.4mm
後玉
φ15.1mm
ディストーション
1型
-0.8%
2/3型
-2.1%
1/1.8型
-1.9%
バックフォーカス
10.6mm
フランジバック
17.526mm
マウント
Cマウント
外形寸法
Φ69.5mm×52.93mm
質量
203.1g
フィルタサイズ
M82P=0.75(別売ZM0810を装着)
作動温度範囲
-10℃〜+50℃
販売価格
お問合せ下さい
■
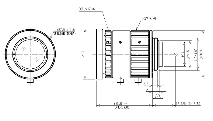
V1226-MPZ
20メガピクセル対応レンズ f=12mm 対応素子:1/1.8〜1インチ
詳細スペック・図面
V1226-MPZ
焦点距離(mm)
12
最大口径比
1:2.6
対応素子サイズ
12.8mm×9.6mm(φ16mm)
作動範囲
アイリス
F2.6−F16.0
フォーカス
0.1m−Inf.
操作方法
アイリス
手 動
フォーカス
手 動
視野範囲
(H×V)
at M.O.D.
1型
123.2mm×91.9mm
2/3型
84.1mm×62.7mm
1/1.8型
68.5mm×51.2mm
包括角度
D×H×V
1型
67.4°×56.7°×44.1°
2/3型
49.8°×40.7°×31.0°
1/1.8型
41.5°×33.7°×25.5°
レンズ有効径
前玉
φ22.6mm
後玉
φ15.1mm
ディストーション
1型
-0.0%
2/3型
-1.1%
1/1.8型
-1.0%
バックフォーカス
10.6mm
フランジバック
17.526mm
マウント
Cマウント
外形寸法
Φ39mm×43.5mm
質量
98.4g
フィルタサイズ
M37.5 P=0.5mm
作動温度範囲
-10℃〜+50℃
販売価格
お問合せ下さい
■
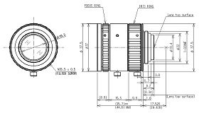
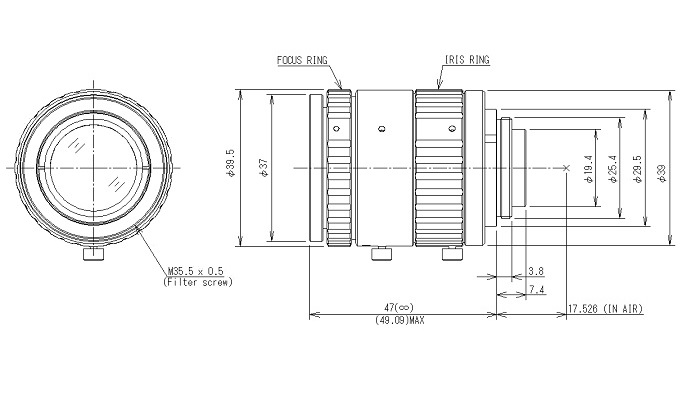
V1624-MPZ
20メガピクセル対応レンズ f=16mm 対応素子:1/1.8〜1インチ
詳細スペック・図面
V1624-MPZ
焦点距離(mm)
16
最大口径比
1:2.4
対応素子サイズ
12.8mm×9.6mm(φ16mm)
作動範囲
アイリス
F2.4−F16.0
フォーカス
0.1m−Inf.
操作方法
アイリス
手 動
フォーカス
手 動
視野範囲
(H×V)
at M.O.D.
1型
88.6mm×66.3mm
2/3型
60.7mm×45.5mm
1/1.8型
49.6mm×37.2mm
包括角度
D×H×V
1型
53.2°×43.8°×33.6°
2/3型
38.1°×30.9°×23.4°
1/1.8型
31.6°×25.5°×19.2°
レンズ有効径
前玉
φ20.9mm
後玉
φ15.9mm
ディストーション
1型
0.0%
2/3型
-0.4%
1/1.8型
-0.4%
バックフォーカス
10.7mm
フランジバック
17.526mm
マウント
Cマウント
外形寸法
Φ39.5mm×47mm
質量
108.1g
フィルタサイズ
M35.5 P=0.5mm
作動温度範囲
-10℃〜+50℃
販売価格
お問合せ下さい
■
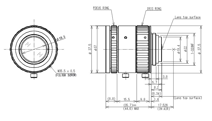
V2520-MPZ
20メガピクセル対応レンズ f=25mm 対応素子:1/1.8〜1インチ
詳細スペック・図面
V2520-MPZ
焦点距離(mm)
25
最大口径比
1:2.0
対応素子サイズ
12.8mm×9.6mm(φ16mm)
作動範囲
アイリス
F2.0−F16.0
フォーカス
0.15m−Inf.
操作方法
アイリス
手 動
フォーカス
手 動
視野範囲
(H×V)
at M.O.D.
1型
66.9mm×50.1mm
2/3型
45.9mm×34.4mm
1/1.8型
37.5mm×28.1mm
包括角度
D×H×V
1型
35.5°×28.8°×21.8°
2/3型
24.9°×20.0°×15.1°
1/1.8型
20.5°×16.4°×12.4°
レンズ有効径
前玉
φ19.2mm
後玉
φ17.1mm
ディストーション
1型
0.0%
2/3型
0.0%
1/1.8型
0.0%
バックフォーカス
9.1mm
フランジバック
17.526mm
マウント
Cマウント
外形寸法
Φ37.5mm×35.7mm
質量
73.1g
フィルタサイズ
M35.5 P=0.5mm
作動温度範囲
-10℃〜+50℃
販売価格
お問合せ下さい
■
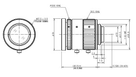
V3522-MPZ
20メガピクセル対応レンズ f=35mm 対応素子:1/1.8〜1インチ
詳細スペック・図面
V3522-MPZ
焦点距離(mm)
35
最大口径比
1:2.2
対応素子サイズ
12.8mm×9.6mm(φ16mm)
作動範囲
アイリス
F2.2−F16.0
フォーカス
0.2m−Inf.
操作方法
アイリス
手 動
フォーカス
手 動
視野範囲
(H×V)
at M.O.D.
1型
69.7mm×52.2mm
2/3型
47.9mm×35.9mm
1/1.8型
39.1mm×29.3mm
包括角度
D×H×V
1型
25.8°×20.8°×15.7°
2/3型
17.9°×14.4°×10.8°
1/1.8型
14.7°×11.8°×8.9°
レンズ有効径
前玉
φ21.5mm
後玉
φ15.6mm
ディストーション
1型
0.0%
2/3型
0.0%
1/1.8型
0.0%
バックフォーカス
9.7mm
フランジバック
17.526mm
マウント
Cマウント
外形寸法
Φ39.5mm×55.7mm
質量
118.2g
フィルタサイズ
M34 P=0.5mm
作動温度範囲
-10℃〜+50℃
販売価格
お問合せ下さい
■
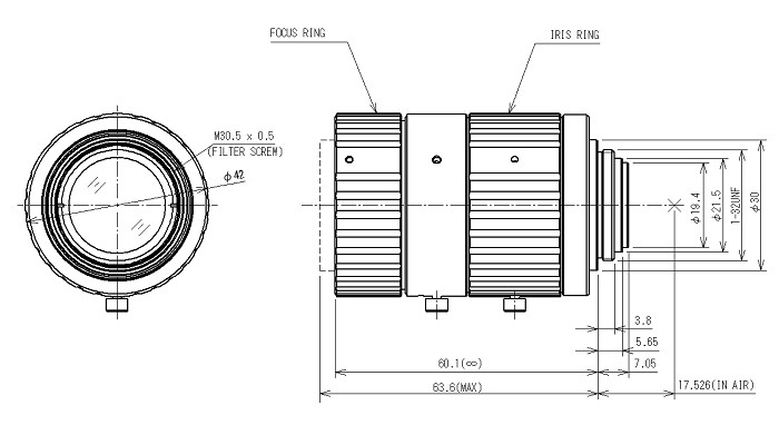
V5024-MPZ
20メガピクセル対応レンズ f=50mm 対応素子:1/1.8〜1インチ
詳細スペック・図面
V5024-MPZ
焦点距離(mm)
50
最大口径比
1:2.4
対応素子サイズ
12.8mm×9.6mm(φ16mm)
作動範囲
アイリス
F2.4−F16.0
フォーカス
0.2m−Inf.
操作方法
アイリス
手 動
フォーカス
手 動
視野範囲
(H×V)
at M.O.D.
1型
41.0mm×30.7mm
2/3型
28.1mm×21.1mm
1/1.8型
23.0mm×17.2mm
包括角度
D×H×V
1型
18.2°×14.6°×11.0°
2/3型
12.6°×10.1°×7.6°
1/1.8型
10.3°×8.3°×6.2°
レンズ有効径
前玉
φ21.8mm
後玉
φ16.4mm
ディストーション
1型
0.0%
2/3型
0.0%
1/1.8型
0.0%
バックフォーカス
11.1mm
フランジバック
17.526mm
マウント
Cマウント
外形寸法
Φ42.0mm×60.1mm
質量
138.5g
フィルタサイズ
M30.5 P=0.5mm
作動温度範囲
-10℃〜+50℃
販売価格
お問合せ下さい
■
V7531-MPZ
20メガピクセル対応レンズ f=75mm 対応素子:1/1.8〜1インチ
詳細スペック・図面
V7531-MPZ
焦点距離(mm)
75
最大口径比
1:3.1
対応素子サイズ
12.8mm×9.6mm(φ16mm)
作動範囲
アイリス
F3.1−F16.0
フォーカス
0.25m−Inf.
操作方法
アイリス
手 動
フォーカス
手 動
視野範囲
(H×V)
at M.O.D.
1型
38.9mm×29.2mm
2/3型
26.8mm×20.1mm
1/1.8型
21.9mm×16.4mm
包括角度
D×H×V
1型
12.2°×9.8°×7.3°
2/3型
8.4°×6.7°×5.0°
1/1.8型
6.9°×5.5°×4.1°
レンズ有効径
前玉
φ23.6mm
後玉
φ16.5mm
ディストーション
1型
0.0%
2/3型
0.0%
1/1.8型
0.0%
バックフォーカス
12.0mm
フランジバック
17.526mm
マウント
Cマウント
外形寸法
Φ42.0mm×79.8mm
質量
176.1g
フィルタサイズ
M30.5 P=0.5mm
作動温度範囲
-10℃〜+50℃
販売価格
お問合せ下さい
●お問合せ→
fujiwara@ff-net.jp